Foram encontradas 140 questões.
A sapata isolada da figura tem como base um retângulo de A=150cm x B=120cm e com AsA = 10cm² e AsB = 8cm².

Com base na tabela a seguir, faça o detalhamento da armadura para a sapata acima.

Assinale a alternativa que apresente a melhor solução e que garanta o bom desempenho da sapata.
Provas
Como medida de saneamento básico, muitas cidades possuem suas Estações de Tratamento de Esgoto – ETE, embora, lamentavelmente, não seja uma realidade de todo o território nacional, principalmente em regiões mais afastadas das capitais. Uma ETE é composta de Caixa de gradeamento, Caixas de areia, Reator anaeróbico, Filtro biológico, Caixa de decantação e Caixa de desinfecção. O efluente de uma ETE pode ser destinado, com segurança, a qualquer corpo hídrico (rio, lago ou mar) pois não possui mais poder de contaminação. Quanto aos componentes de uma ETE, assinale os quadros a seguir.
| 1 |
Caixa de gradeamento |
| 2 |
Caixas de areia |
| 3 |
Reator anaeróbio |
| 4 |
Filtro biológico |
| 5 |
Caixa de decantação |
| 6 |
Caixa de desinfecção |
| ( ) |
Ficam retidos a areia e outros resíduos menores que passaram pela caixa de gradeamento. |
| ( ) |
É a primeira caixa pela qual o esgoto passa. Nesta caixa ficam retidos os resíduos que são jogados no esgoto, tais como fraldas, preservativos, luvas, frascos etc. |
| ( ) |
Aqui ocorre a decantação de partículas sólidas em suspensão e também a coagulação, que, juntos, formam o lodo no fundo da caixa. |
| ( ) |
Nesse ambiente o efluente passa por filtros de brita. Aqui ocorre a digestão do esgoto realizada pelas bactérias aeróbicas. |
| ( ) |
Aqui ocorre a digestão da matéria orgânica realizada pelas bactérias anaeróbicas. |
| ( ) |
Nesta caixa é feita a adição de produto químico ao efluente líquido para eliminar os microrganismos. |
Assinale a alternativa que apresente a ordem correta, de cima para baixo.
Provas
A figura abaixo mostra a tesoura de madeira de um telhado. Ela é composta de peças tracionadas e de peças comprimidas.

As peças A,B e C são, respectivamente,
Provas
A figura abaixo mostra um quadro de distribuição de circuitos, típico das instalações elétricas prediais.

Quanto à sua localização, o quadro de distribuição deve estar localizado
I. em locais de fácil acesso: cozinha, área de serviço e corredores;
II. o mais próximo possível do medidor;
III. em locais onde haja maior concentração de cargas de potência elevadas.
Analisando os itens acima, assinale
Provas
A figura a seguir apresenta a planta de armação de um teto de lajes contínuas.

Na tabela a seguir, são apresentados a massa linear e o custo para diferentes diâmetros de barra de aço.
| Bitola (mm) | Massa linear (kg/m) | Custo (R$/Kg) |
| 5,0 | 0,154 | 5,00 |
| 6,3 | 0,245 | 6,00 |
| 8,0 | 0,395 | 8,00 |
Com base nas informações apresentadas, o custo total de aço, em reais (considerar perdas de 10% no corte), em números redondos, para executar esse teto é igual a
Provas
O controle de qualidade do concreto, seja ele dosado na obra ou em usinas especializadas, é uma das atividades mais importantes a serem realizadas durante uma concretagem. Nesse contexto, assinale a alternativa que apresente os ensaios a serem realizados no concreto fresco e no concreto endurecido, respectivamente.
Provas
Uma laje de concreto armado é retangular de 5,00m por 4,00m, com espessura de 10cm. Qual é o volume de concreto necessário para executá-la?
Provas
A proteção que o concreto confere às armaduras depende do grau de impermeabilidade do concreto que, por conseguinte, será dada por sua compacidade. A espessura dessa capa de concreto é importante para garantir a proteção das armaduras frente aos agentes agressivos, dependendo das condições de exposição (CAA) desse concreto. Deve-se adotar o cobrimento nominal mínimo previsto na NBR 6118/2014 – TAB.7.2; entretanto, para a face superior de lajes e vigas que serão revestidas com argamassa de contrapiso, com revestimentos finais secos tipo carpete e madeira, com argamassa de revestimento e acabamento, como pisos de elevado desempenho, pisos cerâmicos, pisos asfálticos e outros, o valor do cobrimento nominal mínimo pode ser

Provas
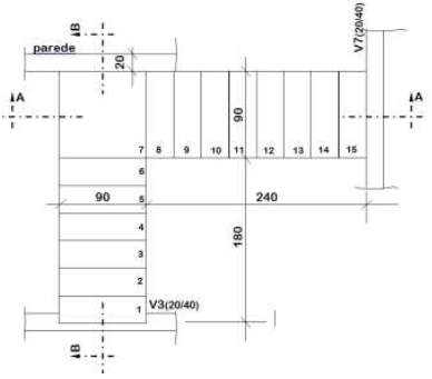
Analise a escada abaixo. A altura dos seus espelhos é de 17,5cm.

A altura total da escada é de
Provas
Um fabricante de perfis soldados produz um perfil identificado como PERFIL SOLDADOS – SÉRIE CS de 200 x 50, com dimensões conforme mostrado a seguir:
Massa: 50,2 kg/m bf: 200 mm tf: 12,5 mm h: 175 mm tw: 8 mm

Determine a área da seção transversal do perfil e o momento de inércia em relação ao eixo x-x.
Provas
Caderno Container