Foram encontradas 60 questões.
Um Retificador Controlado de Silício (SCR) que se encontra diretamente polarizado, e cuja corrente no seu gate seja nula, estará na região de operação de
Provas
Em relação às características típicas de um diodo Zener, sabendo-se que Pz é a sua potência e Vz é a sua tensão, ambas fornecidas pelo seu fabricante, é correto afirmar que
Provas

Provas
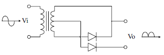
Deseja-se construir um circuito de retificação de onda completa com transformador com derivação central. Para tanto, dispõe-se de dois diodos ideais idênticos. A ligação correta dos diodos no transformador é:
Provas
Para alimentar uma carga de 200 kW, conectada a uma rede elétrica de corrente alternada, com fator de potência igual a 0,8, necessita-se de
Provas

Provas

Sobre E1, E2 e E3, pode-se afirmar que é (são) gerador (es), apenas,
Provas

As correntes i1, i2 e i3 são, respectivamente, em ampères:
Provas

Sobre a resistência equivalente do circuito, é correto afirmar que o seu valor
Provas

Sobre o circuito, é correto afirmar que
Provas
Caderno Container