Foram encontradas 190 questões.
O item 4.2.2.2.1 da NBR 5410:2004 aborda o esquema de aterramento
TN:
“O esquema TN possui um ponto da alimentação ________________ sendo as massas ligadas a esse ponto através de condutores de _______________. São consideradas três variantes de esquema TN, de acordo com a disposição do condutor ____________ e do condutor de ____________, a saber: TN-S, TN-C e TN-C-S.”
Considerando o item abordado pela norma, assinale a alternativa que completa as lacunas com a sequência em que devem ser preenchidas:
“O esquema TN possui um ponto da alimentação ________________ sendo as massas ligadas a esse ponto através de condutores de _______________. São consideradas três variantes de esquema TN, de acordo com a disposição do condutor ____________ e do condutor de ____________, a saber: TN-S, TN-C e TN-C-S.”
Considerando o item abordado pela norma, assinale a alternativa que completa as lacunas com a sequência em que devem ser preenchidas:
Provas
Questão presente nas seguintes provas
O item 5.3.4.4 da NBR 5410:2004 aborda os casos em que é
recomendada a omissão da proteção contra sobrecargas por razões de
segurança:
“Recomenda-se omitir o dispositivo de proteção contra sobrecargas em circuitos que alimentem equipamentos de utilização, nos casos em que o desligamento inesperado do circuito suscitar uma situação de perigo ou, inversamente, desabilitar equipamentos indispensáveis numa situação de perigo.”
Considerando o item abordado pela norma, assinale a alternativa que NÃO apresenta um exemplo de omissão da proteção contra sobrecargas:
“Recomenda-se omitir o dispositivo de proteção contra sobrecargas em circuitos que alimentem equipamentos de utilização, nos casos em que o desligamento inesperado do circuito suscitar uma situação de perigo ou, inversamente, desabilitar equipamentos indispensáveis numa situação de perigo.”
Considerando o item abordado pela norma, assinale a alternativa que NÃO apresenta um exemplo de omissão da proteção contra sobrecargas:
Provas
Questão presente nas seguintes provas
- Circuitos ElétricosCircuitos CACircuitos Trifásicos
- Transformadores e Máquinas ElétricasMáquina de Indução
A figura a seguir apresenta as curvas características do conjugado
versus velocidade de um motor de indução trifásico para diferentes valores
de frequência:
Analise as afirmações a seguir:
I. Para valores abaixo da frequência de placa, o motor de indução opera em uma região com uma razão tensão/frequência constante. Essa situação garante que todo conjugado seja entregue à carga em rotações abaixas da velocidade nominal.
II. Para valores acima da frequência nominal, a tensão aplicada no motor não pode ser aumentada por se encontrar no seu valor nominal. Nessa condição, o fluxo magnético no estator sofrerá uma redução, ocorrendo o enfraquecimento do campo e a diminuição do conjugado disponível na máquina;
III. As curvas apresentadas correspondem a de um motor de indução trifásico acionado por inversor de frequência, com valor nominal de placa igual a 60 Hz;
É CORRETO o que se afirma em:
Analise as afirmações a seguir:
I. Para valores abaixo da frequência de placa, o motor de indução opera em uma região com uma razão tensão/frequência constante. Essa situação garante que todo conjugado seja entregue à carga em rotações abaixas da velocidade nominal.
II. Para valores acima da frequência nominal, a tensão aplicada no motor não pode ser aumentada por se encontrar no seu valor nominal. Nessa condição, o fluxo magnético no estator sofrerá uma redução, ocorrendo o enfraquecimento do campo e a diminuição do conjugado disponível na máquina;
III. As curvas apresentadas correspondem a de um motor de indução trifásico acionado por inversor de frequência, com valor nominal de placa igual a 60 Hz;
É CORRETO o que se afirma em:
Provas
Questão presente nas seguintes provas
A tabela a seguir apresenta um quadro de cargas de uma subestação
de energia de um sistema de captação, adução e recalque para
abastecimento de água.
Nessas condições, considerando um fator de demanda unitário para a instalação, analise as afirmações a seguir:
I. Para o dimensionamento da subestação de entrada, um transformador trifásico com potência nominal 112,5 kVA atende a demanda da instalação;
II. De acordo com o quadro de cargas, o fator de potência da instalação é inferior a 0,92, exigindo o uso de banco de capacitores na entrada de energia;
III. Cada conjunto motor-bomba de 75 CV deve ser acionado por uma chave de partida do tipo soft-starter ou condicionado por inversor de frequência;
É CORRETO o que se afirma em:
Nessas condições, considerando um fator de demanda unitário para a instalação, analise as afirmações a seguir:
I. Para o dimensionamento da subestação de entrada, um transformador trifásico com potência nominal 112,5 kVA atende a demanda da instalação;
II. De acordo com o quadro de cargas, o fator de potência da instalação é inferior a 0,92, exigindo o uso de banco de capacitores na entrada de energia;
III. Cada conjunto motor-bomba de 75 CV deve ser acionado por uma chave de partida do tipo soft-starter ou condicionado por inversor de frequência;
É CORRETO o que se afirma em:
Provas
Questão presente nas seguintes provas
- Instalações ElétricasEquipamentos em Média Tensão
- Proteção de Sistemas ElétricosProteção em Média Tensão
- Sistemas Elétricos de PotênciaDistribuição de Energia Elétrica
Considere as curvas características de um conjunto de fusíveis
retardados a seguir:
Sabendo que se deve dimensionar o fusível para uma corrente no mínimo 20 % superior à corrente nominal do motor, assinale a alternativa que representa o valor do fusível, sem sobredimensionamentos, que pode ser utilizado para proteger uma máquina de 3 HP com corrente nominal de 8,3 A. Considere o método de partida direta e com duração de cerca de 5 segundos para uma relação IP/IN de 7,2.
Sabendo que se deve dimensionar o fusível para uma corrente no mínimo 20 % superior à corrente nominal do motor, assinale a alternativa que representa o valor do fusível, sem sobredimensionamentos, que pode ser utilizado para proteger uma máquina de 3 HP com corrente nominal de 8,3 A. Considere o método de partida direta e com duração de cerca de 5 segundos para uma relação IP/IN de 7,2.
Provas
Questão presente nas seguintes provas
Em uma determinada instalação elétrica, um circuito possui uma
corrente nominal de projeto IB = 18 A. Sabe-se que esse circuito será
instalado em um eletroduto embutido em alvenaria, junto com outros dois
circuitos. Tendo em vista simplificar o dimensionamento dos condutores e
dos dispositivos de proteção, as tabelas abaixo fornecem os fragmentos da
NBR 5410:2004, no que compete à capacidade de corrente de condutores
elétricos (Iz), fator de agrupamento e temperatura, conforme o método de
instalação supracitado. Além disso, são apresentados valores dos
disjuntores comerciais disponíveis para projeto.
Considerando os dados apresentados, para uma temperatura ambiente de 30 °C, e no que se refere somente à proteção pelo critério de sobrecarga, sem sobredimensionar cabos e disjuntores, a seção dos condutores (mm²) e a corrente nominal do disjuntor (A) a serem empregados deverão ser iguais à, respectivamente:
Considerando os dados apresentados, para uma temperatura ambiente de 30 °C, e no que se refere somente à proteção pelo critério de sobrecarga, sem sobredimensionar cabos e disjuntores, a seção dos condutores (mm²) e a corrente nominal do disjuntor (A) a serem empregados deverão ser iguais à, respectivamente:
Provas
Questão presente nas seguintes provas
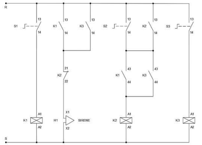
Considere que o diagrama de comando a seguir corresponde a parte de
lógica de um determinado processo, operado por intermédio dos
contatores K1, K2 e K3. As chaves S1, S2 e S3 são do tipo com retenção,
enquanto que a sirene H1 é do tipo audiovisual.
Nessas condições, analise as afirmações a seguir:
I. A sirene H1 será acionada somente se as chaves S1 e S3 estiverem ligadas ao mesmo tempo, independente do estado da chave S2;
II. Se o contator K2 for energizado, a sirene H1 será silenciada, contanto que a chave S1 ou S3 esteja na posição ligada;
III. A chave S2 pode ser substituída por uma botoeira sem retenção, uma vez que possui um contato de selo proveniente do acionamento do contator K2;
É INCORRETO o que se afirma em:
Nessas condições, analise as afirmações a seguir:
I. A sirene H1 será acionada somente se as chaves S1 e S3 estiverem ligadas ao mesmo tempo, independente do estado da chave S2;
II. Se o contator K2 for energizado, a sirene H1 será silenciada, contanto que a chave S1 ou S3 esteja na posição ligada;
III. A chave S2 pode ser substituída por uma botoeira sem retenção, uma vez que possui um contato de selo proveniente do acionamento do contator K2;
É INCORRETO o que se afirma em:
Provas
Questão presente nas seguintes provas
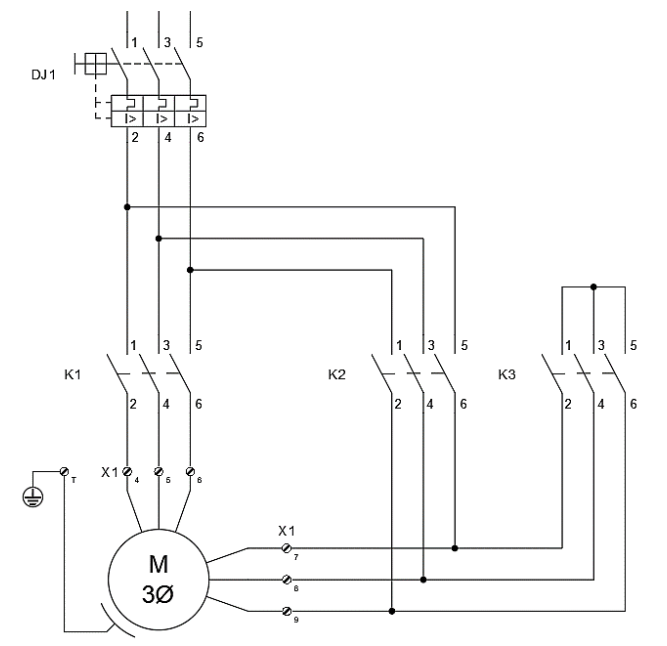
Considere o diagrama de comando a seguir, que corresponde a parte
de potência da partida estrela-triângulo de uma bomba de 7,5 HP, sem relé
térmico:
Sabendo que a motor-bomba M possui corrente nominal In = 21,8 A, assinale a alternativa que indica a corrente de operação aproximada nos contatores K1, K2 e K3, sabendo que o equipamento possui fator de serviço FS = 1,25.
Sabendo que a motor-bomba M possui corrente nominal In = 21,8 A, assinale a alternativa que indica a corrente de operação aproximada nos contatores K1, K2 e K3, sabendo que o equipamento possui fator de serviço FS = 1,25.
Provas
Questão presente nas seguintes provas
Sobre os sistemas alternativos de geração de energia elétrica,
considere as afirmações a seguir sobre o projeto de micro e minigeração
de energia solar fotovoltaica:
I. O conjunto de módulos fotovoltaicos ligados em série/paralelo, conectados na mesma entrada de MPPT (ponto de rastreamento de máxima potência) do inversor, devem estar orientados na mesma direção e inclinação, seja em telhados ou estruturas de solo;
II. O inversor fotovoltaico possui entrada em corrente contínua (CC) e saída em corrente alternada (CA). Por se tratar do mesmo dispositivo, as proteções e circuitos precisam permanecer no mesmo local, ou seja, o uso de eletrodutos, eletrocalhas e quadros de proteção devem ser comuns para os dois tipos de corrente;
III. É permitido o sobredimensionamento do sistema fotovoltaico, desde que a tensão e a corrente do conjunto de módulos não ultrapassem a suportabilidade da entrada MPPT do inversor, assim como o limite de potência CC recomendada;
É CORRETO o que se afirma em:
I. O conjunto de módulos fotovoltaicos ligados em série/paralelo, conectados na mesma entrada de MPPT (ponto de rastreamento de máxima potência) do inversor, devem estar orientados na mesma direção e inclinação, seja em telhados ou estruturas de solo;
II. O inversor fotovoltaico possui entrada em corrente contínua (CC) e saída em corrente alternada (CA). Por se tratar do mesmo dispositivo, as proteções e circuitos precisam permanecer no mesmo local, ou seja, o uso de eletrodutos, eletrocalhas e quadros de proteção devem ser comuns para os dois tipos de corrente;
III. É permitido o sobredimensionamento do sistema fotovoltaico, desde que a tensão e a corrente do conjunto de módulos não ultrapassem a suportabilidade da entrada MPPT do inversor, assim como o limite de potência CC recomendada;
É CORRETO o que se afirma em:
Provas
Questão presente nas seguintes provas
- Transformadores e Máquinas ElétricasMáquinas EstáticasTransformador de Corrente
- Transformadores e Máquinas ElétricasMáquinas EstáticasTransformador de Potência
No estudo de proteção dos sistemas de energia elétrica na média
tensão, o ponto ANSI do transformador é o valor da máxima corrente de
curto-circuito no secundário, refletida no primário, que o dispositivo deve
suportar sem se danificar. O ponto ANSI depende da impedância
percentual do transformador e deve ser aplicado para parametrizar os
tempos das funções de proteção de sobrecorrentes ANSI 50/51 no relé de
proteção da subestação, conforme mostrado na tabela a seguir:
Assinale a alternativa que corresponde ao tempo de atuação de um transformador trifásico de 500 kVA, impedância percentual de 5 % e corrente primária nominal de 20 A.
Assinale a alternativa que corresponde ao tempo de atuação de um transformador trifásico de 500 kVA, impedância percentual de 5 % e corrente primária nominal de 20 A.
Provas
Questão presente nas seguintes provas
Cadernos
Caderno Container