Foram encontradas 320 questões.
Assinale a alternativa que apresenta a importância das chaves e disjuntores em média e baixa tensão e dos dispositivos a corrente diferencial residual (DR) na proteção de circuitos residenciais.
Provas
Assinale a alternativa correta em relação a um erro de especificação com um fusível utilizado tanto nas fases quanto no neutro de um circuito residencial Fase-Fase-Neutro.
Provas
Assinale a alternativa correta em relação aos tipos de conversores de corrente CC-CC, CCCA, CA-CC e CA-CA.
Provas
Assinale a alternativa correta da conversão do número hexadecimal “AB1” para a numeração binária.
Provas
Assinale a alternativa que apresenta alguns dos principais elementos tecnológicos que constituem as famílias de circuitos lógicos digitais.
Provas
Analise a figura abaixo.

Assinale alternativa correta quanto à condição da carga conectada à saída do quadripolo da figura para que ocorra a máxima transferência de potência entre a entrada e a saída.
Provas
Assinale a alternativa correta quanto à corrente máxima, em regime, no primário de um transformador abaixador de tensão da rede pública de distribuição de energia elétrica com potência máxima de 30 kVA, tensão no primário de 13,2 kV e tensão no secundário de 220 V, que fornece energia para um grupo de 10 casas que terá um consumo máximo de 15kVA:
Provas
Assinale a alternativa correta para calcular tensão e corrente para sistemas trifásicos equilibrados, tanto em configuração delta quanto estrela.
Provas
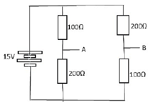
Analise a figura abaixo.

Assinale a alternativa que apresenta o valor da tensão entre os pontos A e B da figura acima.
Provas
Analise a figura abaixo.

Assinale a alternativa correta quanto ao valor da resistência equivalente do circuito da figura acima.
Provas
Caderno Container