Magna Concursos

Foram encontradas 413 questões.

2723790 Ano: 2023
Disciplina: Engenharia Elétrica
Banca: FCC
Orgão: COPERGÁS-PE

Analise o circuito a seguir.

Enunciado 2723790-1

As potências dissipadas aproximadamente em R1, R2 e R3, correspondem, correta e respectivamente, a:

 

Provas

Questão presente nas seguintes provas
2723789 Ano: 2023
Disciplina: Engenharia Elétrica
Banca: FCC
Orgão: COPERGÁS-PE

Segundo a NBR 5410, os condutores nus utilizados em linhas aéreas externas devem ser instalados de forma que seu ponto mais baixo observe as seguintes alturas mínimas em relação ao solo:

 

Provas

Questão presente nas seguintes provas
2723788 Ano: 2023
Disciplina: Engenharia Elétrica
Banca: FCC
Orgão: COPERGÁS-PE

A figura a seguir, extraída da folha de dados de um driver para motor DC, contém quatro diodos de alta velocidade.

Enunciado 2723788-1

Esses diodos

 

Provas

Questão presente nas seguintes provas
2723787 Ano: 2023
Disciplina: Engenharia Elétrica
Banca: FCC
Orgão: COPERGÁS-PE

Analise o circuito a seguir.

Enunciado 2723787-1

A resistência equivalente corresponde, em Ω, a:

 

Provas

Questão presente nas seguintes provas
2723786 Ano: 2023
Disciplina: Engenharia Elétrica
Banca: FCC
Orgão: COPERGÁS-PE

A ABNT NBR 5419, sob o título geral “Proteção contra descargas atmosféricas”, contém 4 partes. As conexões entre as partes são ilustradas na figura a seguir.

Enunciado 2723786-1

A sigla MPS significa

 

Provas

Questão presente nas seguintes provas
2723785 Ano: 2023
Disciplina: Engenharia Elétrica
Banca: FCC
Orgão: COPERGÁS-PE

Segundo a NBR 5410, em caráter geral, a proteção contra choques elétricos é compreendida em dois tipos: básica e supletiva. Corresponde a um exemplo de proteção supletiva:

 

Provas

Questão presente nas seguintes provas
2723784 Ano: 2023
Disciplina: Engenharia Elétrica
Banca: FCC
Orgão: COPERGÁS-PE

Analise o circuito representado a seguir.

Enunciado 2723784-1

Considerando a polarização dos diodos,

 

Provas

Questão presente nas seguintes provas
2723783 Ano: 2023
Disciplina: Engenharia Elétrica
Banca: FCC
Orgão: COPERGÁS-PE

Considere o circuito a seguir.

Enunciado 2723783-1

A corrente eficaz, em mA, que circula no circuito corresponde a, aproximadamente:

 

Provas

Questão presente nas seguintes provas
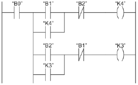
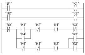
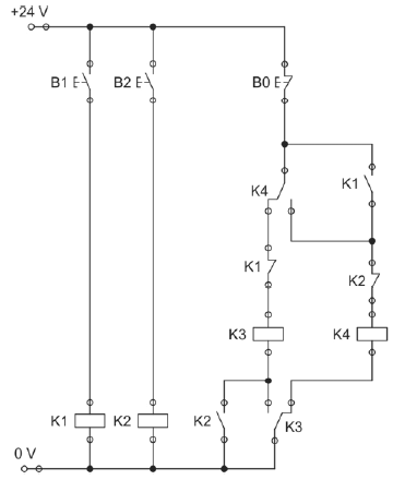
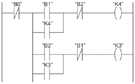
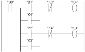
2723782 Ano: 2023
Disciplina: Engenharia Elétrica
Banca: FCC
Orgão: COPERGÁS-PE
Provas:

Analise o circuito a seguir, que representa um sistema de partida com reversão.

Enunciado 2723782-1

Considere:
B0 = botão de impulso contato fechado
B1 e B2 = botão de impulso contato aberto
K1 e K2 = contatores auxiliares
K3 e K4 = contatores de potência

Corresponde ao funcionamento correto do circuito de comando representado:

 

Provas

Questão presente nas seguintes provas
2723781 Ano: 2023
Disciplina: Engenharia Elétrica
Banca: FCC
Orgão: COPERGÁS-PE
Provas:

De acordo com a NBR 5410 que estabelece uma classificação e uma codificação das influencias externas, que devem ser consideradas na concepção e na execução das instalações elétricas, cada condição de influência externa é designada por um código, que compreende sempre um grupo de duas letras maiúsculas e um número. A primeira letra, a segunda letra e o número indicam, respectivamente:

 

Provas

Questão presente nas seguintes provas