Foram encontradas 285 questões.
Atenção: A questão refere-se ao conteúdo de Conhecimentos em Gás Natural.
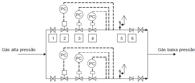
Um sistema de distribuição de gás natural se origina no Ponto de Entrega, conhecido também como City Gate, e por meio de tubulação o gás é entregue aos clientes. Ao longo da rede há estações de redução de pressão, instaladas de acordo com a demanda de cada região. Na ilustração abaixo, tem-se um exemplo de estação de redução de pressão.

Os equipamentos que compõem esta estação, conforme a sequência numérica, são:
Provas
Provas
Atenção: A questão refere-se ao conteúdo de Conhecimentos em Gás Natural.
A rede de distribuição interna de uma residência pode passar por espaços fechados, desde que as tubulações passem pelo interior de dutos ventilados (tubo-luva). Os tubos-luva devem atender aos seguintes requisitos, EXCETO:
Provas
Provas
Provas
Provas
- Gerenciamento, Planejamento e Controle de Obras
- Orçamento no Planejamento e Controle de Obras na Engenharia Civil
Provas
Provas
Provas
Atenção: Para responder a questão considere que a empresa XYZ apresentava, na data de 31.12.X0, as seguintes informações:

Provas
Caderno Container