Foram encontradas 100 questões.
Em relação à qualidade do concreto e agressividade do meio em que a estrutura será construída, a NBR 6118 estabelece uma relação máxima de fator água/cimento para estruturas em concretos armado e protendido, assinale a afirmativa correta.
Provas
Analise a treliça submetida aos carregamentos indicados na figura a seguir.

Com base na imagem anterior, marque V para as afirmativas verdadeiras e F para as falsas.
( ) A barra GF está sendo comprimida de 2.000 N.
( ) A barra GC está sendo comprimida de 1.414,2 N.
( ) A reação horizontal em D é de 3.000 N para a direita.
( ) A barra BC está sendo tracionada de 1.000 N.
A sequência está correta em
Provas
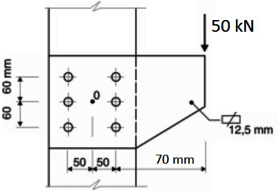
Observe a ligação parafusada de um consolo metálico com uma coluna.

Utilizando-se parafusos de alta resistência ASTM A325, deseja-se determinar o esforço total de corte no parafuso, mais desfavorável, devido ao carregamento permanente indicado, que apresenta uma excentricidade de 150 mm, relativa ao eixo da coluna. Assinale a alternativa que apresenta o esforço total de corte mais desfavorável.
Provas
Para dimensionar os conectores no estado limite último deve-se basear nas modalidades de rupturas da ligação.
Essas rupturas podem se dar por colapsos do conector, rasgamento da chapa etc. Relacione as representações gráficas aos respectivos tipos de ruptura de uma ligação com conector.

( ) Ruptura por rasgamento da chapa entre o furo e a borda ou entre dois furos consecutivos.
( ) Ruptura por tração da chapa na seção transversal líquida.
( ) Ruptura por corte do fuste do conector.
( ) Ruptura por plastificação local.
A sequência está correta em
Provas
Uma viga de edifício comercial está sujeita a momentos fletores, como os apresentados a seguir, oriundos de diferentes cargas:
• peso próprio de estrutura metálica: Mg1 = 10 kNm;
• peso dos outros componentes não metálicos permanentes: Mg2 = 50 kNm;
• ocupação da estrutura: Mq= 30 kNm;
• vento: MV= 20 kNm.
O momento fletor solicitante do projeto Mdsol é de
Provas
A NBR nº 6118 estabelece alguns parâmetros que devem ser obedecidos como critérios para o projeto de estruturas em concretos armado e protendido. Acerca dos critérios para estruturas em concreto armado, é INCORRETO afirmar que
Provas
Analise a viga engastada em B e livre em A.

O módulo e o ponto de aplicação da força resultante equivalente são, respectivamente,
Provas
Para o dimensionamento de lajes utiliza-se a norma NBR 6120:1980 – Cargas para cálculo de estruturas de edificações. As cargas verticais são determinadas de acordo com a tabela 2, que apresenta os valores mínimos exigidos. Diante do exposto, relacione os locais às respectivas cargas mínimas.
| 1. Arquibancadas. | ( ) 3. |
| 2. Casa de máquinas. | ( ) 4. |
| 3. Corredores sem acesso ao público. | ( ) 2. |
| 4. Cinemas (plateias com assentos fixos). | ( ) 7,5. |
A sequência está correta em
Provas
Em grande parte dos problemas de engenharia de solos, é necessário o conhecimento do estado de tensões em pontos do subsolo, antes e depois da construção de uma estrutura qualquer. As tensões na massa de solo são causadas por cargas externas ou pelo próprio peso do solo. As considerações acerca dos esforços introduzidos por um carregamento externo são bastante complexas e seu tratamento, normalmente, se dá a partir das hipóteses formuladas pela teoria da elasticidade. O comportamento dos solos saturados quanto à compressibilidade e à resistência ao cisalhamento depende fundamentalmente da pressão média intergranular ou pressão efetiva.
Considere o seguinte perfil de um solo.

Com base na figura anterior, analise as afirmativas.
I. A tensão vertical efetiva no ponto E é de 150 kN/m2.
II. No ponto B, as tensões vertical total e efetiva são iguais.
III. A pressão neutra no ponto C é de 50 kN/m2.
IV. A tensão vertical total no ponto D é de 179 kN/m2.
V. A pressão neutra no ponto E é de 130 kN/m2.
Estão corretas as afirmativas
Provas
Disciplina: Legislação Específica das Agências Reguladoras
Banca: IDECAN
Orgão: CNEN
A resolução normativa RES nº 09/1969 – Normas para Escolha de Locais para Instalação de Reatores de Potência especifica os critérios sob os quais a Comissão Nacional de Energia Nuclear aprovará os locais propostos para instalação de reatores de potência. A CNEN considera os seguintes fatores para a aceitação de um local para instalação de um reator de potência, EXCETO:
Provas
Caderno Container