Magna Concursos

Foram encontradas 60 questões.

83958 Ano: 2005
Disciplina: Engenharia Mecânica
Banca: CESGRANRIO
Orgão: CMB
Provas:

Na construção de um vaso criogênico para o armazenamento de nitrogênio líquido, é necessário construir os corpos de prova e auditar o ensaio para o levantamento da curva de transição (dútil x frágil) das partes metálicas sujeitas a soldagem. Neste caso, os referidos corpos de prova deverão ser confeccionados conforme especificações que visem a ser atendidas pelo ensaio de:

 

Provas

Questão presente nas seguintes provas
83957 Ano: 2005
Disciplina: Engenharia Mecânica
Banca: CESGRANRIO
Orgão: CMB
Provas:

Enunciado 83957-1

O gráfico resultante de um ensaio de tração se apresenta conforme ilustração acima. Para determinar o limite de escoamento, deverá ser adotado o valor encontrado no gráfico correspondente ao número:

 

Provas

Questão presente nas seguintes provas
83956 Ano: 2005
Disciplina: Engenharia Mecânica
Banca: CESGRANRIO
Orgão: CMB
Provas:

Para que a lubrificação de ferramentas pneumáticas seja eficiente, o óleo deve ser introduzido com o ar comprimido. Isso é obtido por meio dos lubrificadores de linha de ar que realizam tanto a dosagem quanto a pulverização do óleo. Se for usado óleo em excesso, poderão ocorrer explosões de vapor de óleo dentro do cilindro, o que é conhecido por:

 

Provas

Questão presente nas seguintes provas
83955 Ano: 2005
Disciplina: Engenharia Mecânica
Banca: CESGRANRIO
Orgão: CMB
Provas:

Ao verificar a abertura de uma caixa redutora percebe-se que um dos estojos tem a rosca totalmente cisalhada (espanada). A recomendação de reparo é que se realize um enchimento com solda no local e se providencie a abertura de rosca Whithworth grossa com macho de W 5/8". Neste procedimento, para possibilitar a abertura da rosca com o macho, recomenda-se fazer antes a:

 

Provas

Questão presente nas seguintes provas
83954 Ano: 2005
Disciplina: Engenharia Mecânica
Banca: CESGRANRIO
Orgão: CMB
Provas:

Enunciado 83954-1

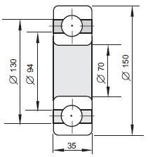
Em algumas manutenções onde ocorrem a limpeza de componentes mecânicos, a exemplo de rolamentos, para posterior montagem dos mesmos, torna-se necessária a colocação de graxa para maior durabilidade do componente e também para garantir o seu funcionamento. A colocação da graxa se reveste de grande importância para evitar erros por falta, ou por excesso. Em casos normais, uma relubrificação pode ser determinada pela fórmula Q = 0,005 x D x B. Sendo assim, para o rolamento de esferas mostrado acima, o mecânico deverá adicionar uma quantidade de graxa em torno de:

 

Provas

Questão presente nas seguintes provas
83953 Ano: 2005
Disciplina: Engenharia Mecânica
Banca: CESGRANRIO
Orgão: CMB
Provas:

Na fabricação das buchas de um mancal de deslizamento, é observado que a especificação do material utilizado como matéria-prima tem em sua composição, basicamente, 80% Cu + 10% Sn + 10% Pb. Neste caso, a bucha será obtida a partir de uma liga de:

 

Provas

Questão presente nas seguintes provas
83952 Ano: 2005
Disciplina: Engenharia Mecânica
Banca: CESGRANRIO
Orgão: CMB
Provas:

Na manutenção de um dos mancais de uma ponte rolante, é verificada a necessidade da substituição de um rolamento que possibilite compensar possíveis desalinhamentos ou deflexões do eixo. Neste caso, qual o tipo de rolamento mais apropriado?

 

Provas

Questão presente nas seguintes provas
83951 Ano: 2005
Disciplina: Engenharia Mecânica
Banca: CESGRANRIO
Orgão: CMB
Provas:

Em uma oficina mecânica, você procura um punção para realizar algumas marcações que, posteriormente, darão origem à realização de furações. Não achando, você resolve buscar no almoxarifado uma barra de material metálico de diâmetro ½” (meia polegada), usina o punção desejado e, em seguida, realiza um tratamento de têmpera na ponta deste. Dos materiais metálicos a seguir o que fornece as condições ideais para você realizar sua tarefa é o:

 

Provas

Questão presente nas seguintes provas
83950 Ano: 2005
Disciplina: Engenharia Mecânica
Banca: CESGRANRIO
Orgão: CMB
Provas:

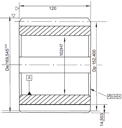
Enunciado 83950-1

Durante a montagem de uma caixa redutora, e de posse do desenho de uma das engrenagens do conjunto, conforme indicado acima, uma vez avaliada a engrenagem sob o ponto de vista de tolerâncias geométricas, é necessário orientar o pessoal da montagem quanto ao:

 

Provas

Questão presente nas seguintes provas
83949 Ano: 2005
Disciplina: Engenharia Mecânica
Banca: CESGRANRIO
Orgão: CMB
Provas:

21 É preciso selecionar corretamente um cabo de aço a partir de duas medições de comprimento e diâmetro. A primeira medida é determinada com o uso de uma trena, encontrando- se o valor de 2 metros. Na segunda medida, é utilizado um paquímetro. Qual o posicionamento correto desse paquímetro?

 

Provas

Questão presente nas seguintes provas