Foram encontradas 30 questões.

A figura acima mostra o circuito do estágio de potência na saída de uma fonte de alimentação CC. A fonte é regulada com um diodo ZENER de 6 V na base do transistor de potência do tipo NPN, mantendo a tensão de saída (Vs) em 5,2 V. A especificação do resistor Rs, de proteção do diodo, é calculada para o pior caso, ou seja, quando a corrente de base do transistor é nula (fonte sem carga). Considerandose que as correntes de operação, na faixa linear de condução do diodo, variam de 10 a 100 mA e que a tensão de entrada do estágio (Ve) foi projetada para variar no intervalo de 10 a 15 volts, a faixa de valores permissíveis do resistor Rs para proteger o diodo e operar o diodo na faixa linear, em ohms, é de:
Provas

Duas bobinas estão acopladas indutivamente. A figura acima mostra duas formas de onda, sendo a primeira a corrente I que percorre uma das bobinas e a segunda, a tensão VL induzida na outra bobina. O coeficiente de indutância mútua, em Henrys, é:
Provas
Um galvanômetro, que tem 10 \( \Omega \) de resistência interna, atinge o fundo de escala quando acionado por uma corrente de 500 \( \mu \) A. Para montar, com este galvanômetro, um amperímetro cuja escala varia de 0 a 100 mA, deve-se adicionar ao conjunto uma resistência Shunt de:
Provas

Na tela do osciloscópio representada na figura acima, observa- se o sinal de tensão v(t) aplicada em um componente passivo e a corrente i(t) resultante. Este componente é um:
Provas
A figura abaixo ilustra os interruptores e parte da instalação elétrica de um grande salão. Essa instalação consiste em permitir que um ponto de luz possa ser acionado ou desligado a partir de qualquer um dos três interruptores disponíveis, sendo dois do tipo paralelo simples e um do tipo paralelo duplo. Sabe-se que o interruptor do tipo paralelo duplo possui 2 chaves paralelas simples que são acionadas simultaneamente.

As ligações entre os pontos indicados pelas letras A, B, ..., L que estão faltando na figura para completar a instalação elétrica são:
Provas
Observe o circuito abaixo.

Considerando que o circuito esteja alimentado por uma fonte de tensão senoidal de freqüência angular \( \omega \), em rad/s, a susceptância, em (ohm)-1, entre os terminais A e B é:
Provas
O farol de um automóvel, quando alimentado normalmente com 12 volts CC, consome 144 watts de potência. Conectando este farol a uma determinada bateria de 12 volts, a tensão em seus terminais cai para 10 volts. Associando em paralelo dois faróis idênticos ao acima citado, e conectando-os à mesma bateria, a tensão, em volts, em seus terminais cairá para:
Provas

Os dois circuitos mostrados na figura acima alimentam a mesma carga e são equivalentes. Os valores de IN e RN, respectivamente, são:
Provas

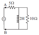
No circuito ilustrado na figura acima, a chave S foi mantida aberta por um tempo tal que permitisse o circuito alcançar o regime permanente. O valor da corrente Ic imediatamente após o fechamento da chave S é:
Provas
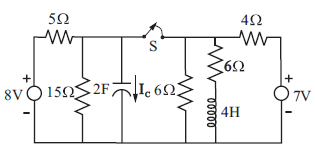
A figura abaixo ilustra um amperímetro eletrônico, onde a chave S seleciona a faixa de operação e o medidor é a parte do instrumento responsável pela leitura da corrente que passa efetivamente pelos terminais A e B.

Considerando-se que o amplificador operacional seja ideal, que a chave S esteja ligada na posição 1 e que a corrente que passa pelo medidor seja de 50 A, o valor aproximado da corrente I que está sendo medida é:
Provas
Caderno Container