Foram encontradas 60 questões.
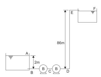
Considere o sistema elevatório de água de um edifício, composto por duas bombas hidráulicas iguais, com rendimento de 86% cada, ligadas em série, dado na figura abaixo.

Para a execução desse sistema elevatório, projetado para a vazão de 3 litros por segundo de água, utilizou-se 90 m de tubulação, além de singularidades, cujos comprimentos equivalentes somam 10 m. Considerando que a perda de carga unitária seja 0,02 m/m, a potência de cada bomba, em CV, é
Provas
Considere a viga biapoiada com 8 m de vão e seção transversal em perfil C da figura abaixo.

A tensão normal máxima devido à flexão na fibra mais tracionada da viga, em MPa, é
Provas
Uma viga de concreto armado de seção transversal retangular deve ser executada com concreto de fck igual a 25 MPa e estribos com barras de aço CA50 com área da seção transversal de 0,3 cm2 , perpendiculares à armadura longitudinal de flexão. Para o detalhamento da armadura transversal utilizou-se os seguintes dados:
− Força cortante solicitante de cálculo de 124 kN.
− Parcela da força cortante resistida por mecanismos complementares ao modelo de treliça igual a 52 kN.
− Altura útil da seção transversal igual a 46 cm.
Considerando que as bielas de compressão do concreto estejam inclinadas de 45º em relação ao eixo longitudinal da barra, o espaçamento entre os estribos com dois ramos, em centímetros, é
Provas
No dimensionamento das estruturas metálicas, para as combinações de ações normais nos estados limites de escoamento e flambagem, utilizou-se um perfil de aço MR250 de seção compacta como viga biapoiada, com contenção lateral contínua. Se o módulo de resistência plástico do perfil é 1 320 cm3 , o seu momento resistente de cálculo, em kNm, é
Provas
Provas
Provas
- Gerenciamento, Planejamento e Controle de Obras
- Orçamento no Planejamento e Controle de Obras na Engenharia Civil
Provas
Provas
Provas
- Gerenciamento, Planejamento e Controle de Obras
- Normas e Legislações
- Orçamento no Planejamento e Controle de Obras na Engenharia Civil
Provas
Caderno Container