Foram encontradas 210 questões.
- Transformadores e Máquinas ElétricasPrincípios BásicosControle Eletrônico de Máquinas Elétricas
- Transformadores e Máquinas ElétricasMáquinas AssíncronasPartida e Controle de velocidade
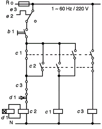
Figura 1 A figura abaixo mostra o diagrama de controle de um sistema de partida estrela-triângulo de um motor de indução trifásico. Com relação a esta figura, responda às questões 24 e 25.

Fonte: Adaptado de CREDER, Hélio; Instalações Elétricas. – Rio de Janeiro: LTC, 2016
Analise as afirmativas abaixo com relação à figura 1.
1. O acionamento possui a possibilidade de reversão da rotação do motor.
2. Os contatores c2 e c3 possuem intertravamento.
3. Se o relé de sobrecarga for acionado, o contator c3 se manterá energizado.
Assinale a alternativa que indica todas as afirmativas corretas.
Provas
- Transformadores e Máquinas ElétricasPrincípios BásicosControle Eletrônico de Máquinas Elétricas
- Transformadores e Máquinas ElétricasMáquinas AssíncronasPartida e Controle de velocidade
Figura 1 A figura abaixo mostra o diagrama de controle de um sistema de partida estrela-triângulo de um motor de indução trifásico. Com relação a esta figura, responda às questões 24 e 25.

Fonte: Adaptado de CREDER, Hélio; Instalações Elétricas. – Rio de Janeiro: LTC, 2016
Abaixo são mostrados acontecimentos para a correta operação da partida estrela-triângulo.
1. O contator c1 é acionado.
2. O contator c2 é acionado.
3. O contator c3 é acionado.
4. Relé temporizador d1 muda seu estado após o tempo programado.
Assinale a alternativa que apresenta a sequência correta de acontecimentos após o operador pressionar o botão b1:
Provas
A máxima queda de tensão em uma instalação elétrica é um dos critérios para o dimensionamento dos condutores.
Abaixo é mostrado o diagrama de distribuição de potências de um circuito a partir do quadro de distribuição.

Qual o correto valor da potência (W) × distância (m) a ser considerado para o dimensionamento das bitolas dos condutores?
Provas
- Proteção de Sistemas ElétricosDispositivos de Proteção
- Proteção de Sistemas ElétricosSPDA: Sistema de Proteção contra Descargas Elétricas
Analise as afirmativas abaixo com relação aos eletrodos verticais de uma malha de terra.
1. Normalmente o material utilizado pelos eletrodos é o alumínio.
2. Um eletrodo de aterramento, ao sofrer corrosão, tem sua resistência de contato aumentada.
3. O aço cobreado é o mais indicado como eletrodo devido a sua elevada resistência à corrosão.
Assinale a alternativa que indica todas as afirmativas corretas.
Provas
O controle de execução de obras e serviços pode ser realizado por boas práticas de gestão, utilizando-se de algumas ferramentas.
Assinale a alternativa que indica corretamente o diagrama que serve para ilustrar o avanço das diferentes etapas de um projeto, com os intervalos de tempo representando o início e fim de cada fase.
Provas
Através da fórmula apresentada abaixo é possível calcular a perda de carga em uma tubulação.

Esta fórmula também é conhecida como fórmula de:
Provas
Os símbolos gráficos abaixo representam comandos utilizados na ferramenta de apoio do sistema CAD.

Assinale a alternativa que define, respectivamente, cada figura.
Provas
Para cada tipo e classe de concreto a ser colocado em uma estrutura, devem ser realizados os ensaios de controle.
Quando o concreto é preparado pelo construtor da obra, devem ser realizados ensaios de consistência nas seguintes situações:
1. na troca dos operadores.
2. na primeira amassada do dia.
3. cada vez que forem moldados corpos de prova.
4. sempre que ocorrerem alterações na umidade dos agregados.
5. ao reiniciar o preparo após uma interrupção da jornada de concretagem de, pelo menos, 12 h.
Assinale a alternativa que indica todas as afirmativas corretas.
Provas
Considere dada a representação esquemática da seção transversal de um canal trapezoidal:

Se este canal fosse realizado com uma seção transversal retangular conforme representação esquemática abaixo:

Qual seria a altura “h” para que o perímetro molhado desta seção fosse exatamente igual ao perímetro molhado da seção trapezoidal anteriormente representada?
Provas
Uma estação pluviométrica é a estação meteorológica que realiza medição de:
Provas
Caderno Container