Foram encontradas 360 questões.
A identificação correta de defeitos nos pavimentos flexíveis é
fundamental para o cálculo do indicador de qualidade das
superfícies.
Desse modo, relacione os tipos de defeito em um pavimento, listados a seguir à sua respectiva definição.
1. Exsudação 2. Panela 3. Desgaste
( ) Decorre do desprendimento de agregados da superfície ou ainda da perda de mástique junto aos agregados
( ) Cavidade no revestimento asfáltico, podendo ou não atingir camadas subjacentes
( ) Caracterizada pelo surgimento de ligante em abundância na superfície, como manchas escurecidas, decorrente em geral do excesso do mesmo na massa asfáltica
Assinale a opção que apresenta a sequência correta, segundo a ordem apresentada.
Desse modo, relacione os tipos de defeito em um pavimento, listados a seguir à sua respectiva definição.
1. Exsudação 2. Panela 3. Desgaste
( ) Decorre do desprendimento de agregados da superfície ou ainda da perda de mástique junto aos agregados
( ) Cavidade no revestimento asfáltico, podendo ou não atingir camadas subjacentes
( ) Caracterizada pelo surgimento de ligante em abundância na superfície, como manchas escurecidas, decorrente em geral do excesso do mesmo na massa asfáltica
Assinale a opção que apresenta a sequência correta, segundo a ordem apresentada.
Provas
Questão presente nas seguintes provas
Nos projetos de pavimentos rígidos, deve-se prestar atenção
especial à ocorrência de variações bruscas nas características do
subleito, especialmente à presença de solos expansivos e de
camadas espessas de argila mole.
A respeito dos parâmetros relacionados a essas características, assinale aquele relativo ao suporte do subleito para dimensionamento da espessura de um pavimento rígido.
A respeito dos parâmetros relacionados a essas características, assinale aquele relativo ao suporte do subleito para dimensionamento da espessura de um pavimento rígido.
Provas
Questão presente nas seguintes provas
A figura a seguir apresenta uma parede de alvenaria de uma
edificação, sobre a qual se encontra uma laje de cobertura, visível
pela sua largura. Essa parede apresenta uma trinca praticamente
paralela à laje.
Assinale a opção que apresenta uma causa para essa trinca.
Assinale a opção que apresenta uma causa para essa trinca.
Provas
Questão presente nas seguintes provas
Em uma edificação residencial localizada em região litorânea,
observou-se degradação precoce do sistema de pintura externo
após apenas 18 meses, incluindo empolamento, manchas
esbranquiçadas, fissuração em microescamas e perda de
aderência em pontos localizados.
A inspeção revelou:
I. reboco com teor de umidade acima de 10%;
II. presença de sais solúveis;
III. temperatura superficial elevada no período da aplicação original; e
IV. uso de tinta acrílica padrão de PVC crítico próximo ao limite máximo recomendado.
Considerando os mecanismos físico-químicos envolvidos e o desempenho esperado de sistemas de pintura em ambientes agressivos, assinale a opção que apresenta a principal combinação de causas para o quadro patológico observado.
A inspeção revelou:
I. reboco com teor de umidade acima de 10%;
II. presença de sais solúveis;
III. temperatura superficial elevada no período da aplicação original; e
IV. uso de tinta acrílica padrão de PVC crítico próximo ao limite máximo recomendado.
Considerando os mecanismos físico-químicos envolvidos e o desempenho esperado de sistemas de pintura em ambientes agressivos, assinale a opção que apresenta a principal combinação de causas para o quadro patológico observado.
Provas
Questão presente nas seguintes provas
A figura a seguir apresenta, esquematicamente, o projeto de
impermeabilização de uma laje.
Nesse projeto, as camadas indicadas com os números 1, 2, 3 e 4 são conhecidas, respectivamente, como camadas de
Nesse projeto, as camadas indicadas com os números 1, 2, 3 e 4 são conhecidas, respectivamente, como camadas de
Provas
Questão presente nas seguintes provas
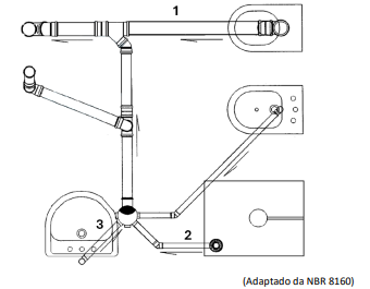
A figura a seguir apresenta, de forma esquemática, a instalação
hidrossanitária de um banheiro.
Nessa instalação, os diâmetros mínimos para os ramais de descarga 1 (desconsiderando cálculo pelo método hidráulico), 2 e 3, valem, respectivamente,
Nessa instalação, os diâmetros mínimos para os ramais de descarga 1 (desconsiderando cálculo pelo método hidráulico), 2 e 3, valem, respectivamente,
Provas
Questão presente nas seguintes provas
Um muro de arrimo vertical, com altura de 5,0 m (medida a partir
da base até a crista do nível de terreno), sustenta um aterro
homogêneo com as seguintes propriedades:
• Peso específico do solo = 18 kN/m3; • Ângulo de atrito interno = = 30°; • Coesão = 0 kPa (solo não coesivo); • Sobrecarga uniforme do aterro = 12 kPa.
Sabe-se, ainda, que o aterro possui superfície horizontal adjacente ao muro (ou seja, nível do terreno paralelo à base do muro).
Desse modo, o empuxo ativo sobre esse muro calculado, considerando a teoria de Rankine, vale
• Peso específico do solo = 18 kN/m3; • Ângulo de atrito interno = = 30°; • Coesão = 0 kPa (solo não coesivo); • Sobrecarga uniforme do aterro = 12 kPa.
Sabe-se, ainda, que o aterro possui superfície horizontal adjacente ao muro (ou seja, nível do terreno paralelo à base do muro).
Desse modo, o empuxo ativo sobre esse muro calculado, considerando a teoria de Rankine, vale
Provas
Questão presente nas seguintes provas
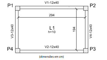
Um engenheiro projeta parte de uma pequena estrutura de
concreto armado.
Em particular, é necessário dimensionar as vigas da laje de piso apresentada na figura a seguir.
Considerando apenas os pesos próprios da laje e da viga V2 e desprezando os efeitos de extremidade, o máximo momento fletor atuante nessa viga vale, aproximadamente,
Em particular, é necessário dimensionar as vigas da laje de piso apresentada na figura a seguir.
Considerando apenas os pesos próprios da laje e da viga V2 e desprezando os efeitos de extremidade, o máximo momento fletor atuante nessa viga vale, aproximadamente,
Provas
Questão presente nas seguintes provas
Um engenheiro projeta uma edificação cuja estrutura utilizará
perfis metálicos laminados de abas largas.
Considerando as solicitações predominantes em cada elemento estrutural, os perfis mais adequados para a construção, respectivamente, das vigas e dos pilares dessa edificação, são:
Considerando as solicitações predominantes em cada elemento estrutural, os perfis mais adequados para a construção, respectivamente, das vigas e dos pilares dessa edificação, são:
Provas
Questão presente nas seguintes provas
O projeto arquitetônico de uma edificação é composto por várias
etapas, nas quais se produzem conjuntos de desenhos e outros
documentos que complementam e descrevem o projeto.
Relacione as etapas do projeto de arquitetura apresentadas a seguir às suas respectivas características.
I. Anteprojeto II. Estudo preliminar III. Estudo de viabilidade
( ) Conjunto de informações gráficas e escritas capaz de subsidiar ou embasar as decisões sobre eventuais opções formais que atendam ao programa de necessidades do projeto arquitetônico.
( ) Definição e desenvolvimento do partido arquitetônico, incluindo o pré-dimensionamento dos elementos construtivos e as definições gerais dos demais projetos complementares, de modo a subsidiar o processo de aprovação pelo cliente e o desenvolvimento da documentação para aprovação pelos órgãos oficiais responsáveis.
( ) Concepção inicial do projeto arquitetônico, no qual se especificam funções, usos, formas e dimensões para os ambientes, bem como elementos construtivos e componentes principais do projeto.
Assinale a opção que apresenta a sequência correta, segundo a ordem apresentada.
Relacione as etapas do projeto de arquitetura apresentadas a seguir às suas respectivas características.
I. Anteprojeto II. Estudo preliminar III. Estudo de viabilidade
( ) Conjunto de informações gráficas e escritas capaz de subsidiar ou embasar as decisões sobre eventuais opções formais que atendam ao programa de necessidades do projeto arquitetônico.
( ) Definição e desenvolvimento do partido arquitetônico, incluindo o pré-dimensionamento dos elementos construtivos e as definições gerais dos demais projetos complementares, de modo a subsidiar o processo de aprovação pelo cliente e o desenvolvimento da documentação para aprovação pelos órgãos oficiais responsáveis.
( ) Concepção inicial do projeto arquitetônico, no qual se especificam funções, usos, formas e dimensões para os ambientes, bem como elementos construtivos e componentes principais do projeto.
Assinale a opção que apresenta a sequência correta, segundo a ordem apresentada.
Provas
Questão presente nas seguintes provas
Cadernos
Caderno Container