Foram encontradas 421 questões.
Provas
Em um pilar de concreto armado submetido a uma força normal de compressão perfeitamente centrada
Provas
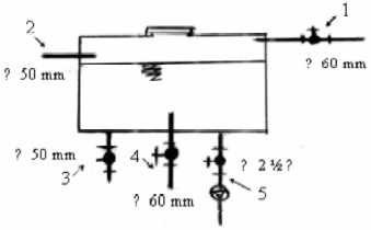
A figura esquemática abaixo representa uma típica instalação de reservatório elevado e água fria. Dentre as alternativas abaixo, assinale a que identifica corretamente as tubulações representadas.

Provas
Sobre os materiais betuminosos e também, especificamente, sobre os asfaltos, são feitas as seguintes afirmações:
I. Os materiais betuminosos são um produto de natureza orgânica, de origem natural ou pirogênica, composto de uma mistura de hidrocarbonetos.
II. Os materiais betuminosos são hidrófugos, isto é, repelentes da água; o que permite o seu emprego como material de estanqueidade, nos processos de impermeabilização.
III. Os cimentos asfálticos são definidos pelas letras CAN (natural) ou CAP (de petróleo) seguidas de dois números que se referem as suas viscosidades (Exemplos: CAN 50-60 e CAP 100-120).
IV. A fonte maior de produção de asfaltos de petróleo são os processos de destilação dos petróleos de base asfáltica ou semi-asfáltica.
V. O cimento asfáltico de petróleo (CAP) tem sua ênfase de produção quando é obtido como subproduto residual de destilação para obtenção de solventes e óleos combustíveis.
Julgue as afirmações acima e marque a opção que contém os valores corretos (verdadeiro ou falso) de I a V:
Provas
A "trabalhabilidade" de um concreto fresco compreende três propriedades fundamentais: consistência ou fluidez, compacidade e travamento.
Em relação a essas propriedades, pode-se afirmar que
Provas
Ao alterar o nível d água em um terreno, pode-se defrontar com algumas conseqüências. Avalie as assertivas e, após, assinale a alternativa correta.
I. O rebaixamento do nível d água poder á ocasionar pro blemas como recalques , provocados pela redução da pressão neutra, aumentando, assim, a tensão efetiva no solo, carregando-o.
II. A elevação do nível d água poderá ocasionar problemas quando ocorrer em solos colapsíveis, pois a saturação provocará uma súbita compressão, provocando recalques.
III. A elevação do nível d água poderá provocar a elevação das fundações de uma residência, uma vez que haverá redução da tensão efetiva no solo.
Qual(is) está(ão) correta(s)?
Provas
Um projeto completo de uma obra de vulto, pode ser caracterizado por fases que se sobrepõem e que são normalmente interdependentes, definidas como
Provas
Segundo a NBR-5626 (Instalações Prediais de Água Fria), em qualquer ponto da rede predial de distribuição a pressão da água em condições dinâmicas (com escoamento) não deve ser inferior a
Provas
Em uma viga simplesmente apoiada em suas ext remidades, submet ida a um car regamento uniformemente distribuído de 5kN/m, em qual posição é maior o seu momento fletor? E o maior cortante?
Provas

A viga em balanço com comprimento total de 4m, mostrada na figura acima, está carregada uniformemente com uma carga q=20 Kgf/m e tem uma carga concentrada no meio do vão P = 10 Kgf. O esforço cortante na seção a, de coordenada x = 3 m, é dado por
Provas
Caderno Container