Magna Concursos

Foram encontradas 120 questões.

273609 Ano: 2019
Disciplina: Eletroeletrônica
Banca: FEPESE
Orgão: CELESC

No projeto de redes de distribuição, há diversas topologias que dependem das características das unidades consumidoras e da subestação, da qual sairão os alimentadores. Na figura abaixo é mostrada uma topologia de rede de distribuição.

Enunciado 2972027-1

Assinale a alternativa que apresenta a nomenclatura desta topologia.

 

Provas

Questão presente nas seguintes provas
273608 Ano: 2019
Disciplina: Eletroeletrônica
Banca: FEPESE
Orgão: CELESC

A figura abaixo mostra a entrada de uma subestação abrigada com ramal de entrada aéreo.

Enunciado 2972026-1

Assinale a alternativa que apresenta a nomenclatura correta dos elementos marcados com as letras A e B, respectivamente.
 

Provas

Questão presente nas seguintes provas
273607 Ano: 2019
Disciplina: Engenharia Elétrica
Banca: FEPESE
Orgão: CELESC
Transformadores de potência necessitam passar por diversos ensaios para a definição das suas características elétricas. Os ensaios de circuito aberto e de curto-circuito são amplamente utilizados em transformadores.
No ensaio de .................... , o lado de ............................ tensão é .................. e a tensão nominal é aplicada no lado de .................... tensão.
Assinale a alternativa que completa corretamente as lacunas do texto.
 

Provas

Questão presente nas seguintes provas
273606 Ano: 2019
Disciplina: Eletroeletrônica
Banca: FEPESE
Orgão: CELESC

Seja uma fonte de tensão alternada monofásica conectada a um resistor em série com um indutor, conforme mostra a figura abaixo.

Enunciado 2972025-1

Assinale a alternativa correta.
 

Provas

Questão presente nas seguintes provas
273605 Ano: 2019
Disciplina: Eletroeletrônica
Banca: FEPESE
Orgão: CELESC

Com relação a transformadores de potência, analise as afirmativas abaixo:

1. Transformadores a seco são mais baratos do que transformadores a óleo.

2. Transformadores a seco são recomendados em locais com perigo de incêndio.

3. Os transformadores das redes aéreas de distribuição são normalmente a seco.

Assinale a alternativa que indica todas as afirmativas corretas.

 

Provas

Questão presente nas seguintes provas
273604 Ano: 2019
Disciplina: Eletroeletrônica
Banca: FEPESE
Orgão: CELESC

Religadores automáticos são equipamentos de interrupção de corrente elétrica que podem abrir e fechar um circuito durante um defeito. Analise as afirmativas abaixo com relação aos religadores:

1. São amplamente utilizados em instalações consumidoras industriais.

2. Religadores monofásicos podem ser utilizados em cada fase de uma rede trifásica.

3. Permitem que defeitos transitórios sejam eliminados sem a necessidade de deslocamento de pessoal.

Assinale a alternativa que indica todas as afirmativas corretas.

 

Provas

Questão presente nas seguintes provas
273603 Ano: 2019
Disciplina: Eletroeletrônica
Banca: FEPESE
Orgão: CELESC

Uma instalação teve sua medida de energia conferida, para isso foi medida a potência durante 24 horas. O gráfico abaixo mostra a média de potência (kW) entregue a cada 6 horas.

Enunciado 2972022-1

Dadas essas informações, assinale a alternativa que apresenta a energia consumida pela unidade consumidora durante as 24 horas.

 

Provas

Questão presente nas seguintes provas
273602 Ano: 2019
Disciplina: Engenharia Elétrica
Banca: FEPESE
Orgão: CELESC
Um técnico necessita saber o fator de potência de uma dada carga linear trifásica e equilibrada. O técnico utilizou um voltímetro (V) e um amperímetro (A) conectados conforme mostra a figura abaixo.
Enunciado 3583725-1
As medidas resultaram nos valores eficazes de 220 V e 5 A, respectivamente.
Sabendo que a potência ativa total do equipamento é de 1650 W, qual o fator de potência da carga analisada?
Considere, caso necessário, !$ \sqrt{3} = 1,73 !$ e !$ \sqrt{2} = 1,41 !$
 

Provas

Questão presente nas seguintes provas
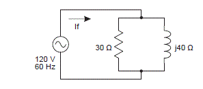
273601 Ano: 2019
Disciplina: Eletroeletrônica
Banca: FEPESE
Orgão: CELESC

A figura abaixo mostra uma resistência de 30 ohms e um indutor de reatância indutiva de 40 ohms conectadas em paralelo com uma fonte de tensão senoidal de 120 volts eficazes.

Enunciado 2972021-1

Determine o valor eficaz da corrente da fonte de entrada (If ).

 

Provas

Questão presente nas seguintes provas
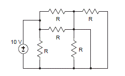
273600 Ano: 2019
Disciplina: Eletroeletrônica
Banca: FEPESE
Orgão: CELESC

Considere o circuito abaixo, composto por uma fonte de tensão contínua de 10 V e resistores (R) iguais de 150 ohms.

Enunciado 2972020-1

Determine a corrente da fonte de entrada.

 

Provas

Questão presente nas seguintes provas