Foram encontradas 404 questões.
Seja um sistema de potência de 3 barras, no qual cada barra está diretamente conectada às demais a partir de uma linha de transmissão. Todas as linhas de transmissão possuem impedância série de !$ j0,20 !$ pu e admitância shunt de !$ j0,02 !$ pu. Considere que uma matriz admitância de barra deve ser construída para a execução de análise de fluxo potência.
Assinale a alternativa que apresenta a matriz admitância de barra do sistema.
Provas
Questão presente nas seguintes provas
A figura abaixo mostra um sistema composto de um gerador alimentando uma carga a partir de 4 linhas de transmissão.

O planejamento do sistema deve ter em conta a probabilidade de falha de entrega de energia à carga. A probabilidade de falha de cada linha de transmissão é de 10%. Os demais elementos do sistema são considerados 100% confiáveis. Limites de capacidade podem ser desconsiderados.
Assinale a alternativa com valor que mais se aproxima da probabilidade de falha no ponto de entrega de energia à carga.
Provas
Questão presente nas seguintes provas
O projeto de dispositivos de proteção contra correntes de sobrecarga e a coordenação com o projeto de condutores é dada pelas seguintes fórmulas, conforme a NBR5410:
!$ I_B \le I_n \le I_z !$
!$ I_2 \le 1,45.I_z !$
Identifique cada uma das siglas de corrente apresentada nas fórmulas com suas respectivas definições.
( ) capacidade de condução de corrente dos condutores.
( ) corrente nominal do dispositivo de proteção.
( ) corrente de projeto do circuito.
( ) corrente convencional de atuação, para disjuntores, ou corrente convencional de fusão, para fusíveis.
Assinale a alternativa que indica a sequência correta, de cima para baixo.
Provas
Questão presente nas seguintes provas
As variáveis de temperatura e irradiância são as principais grandezas responsáveis para a definição dos valores de tensão e corrente em um painel fotovoltaico. A figura abaixo mostra curvas clássicas retiradas da folha de dados de um painel fotovoltaico.

As curvas A, B e C representam os valores de tensão e corrente para diferentes valores de , e consideram a variável constante. A da curva A é do que a da curva B.
Assinale a alternativa que completa correta e sequencialmente as lacunas do texto.
Provas
Questão presente nas seguintes provas
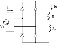
Seja um retificador de onda completa monofásico alimentando uma carga fortemente indutiva, ou seja, !$ X_L >> R !$.

Sabendo que a tensão de entrada é alternada senoidal, qual o formato da corrente da fonte de alimentação (Ii) e da corrente de saída (Io), respectivamente?
Provas
Questão presente nas seguintes provas
A figura abaixo mostra as curvas V de uma máquina síncrona, onde é possível analisar as relações entre corrente de campo, corrente de armadura, potência de saída e fator de potência (fp).

Com relação às máquinas síncronas, analise as afirmativas abaixo:
1.O ajuste do fator de potência é realizado controlando a excitação de campo.
2.A forma das curvas V de um motor síncrono são muito semelhantes às dos geradores síncronos, somente com a permuta das curvas de fator de potência.
3.Um motor síncrono pode ser utilizado por uma instalação para correção do fator de potência.
4.A corrente de armadura é mínima para uma mesma potência ativa quando o fator de potência é capacitivo.
Assinale a alternativa que indica todas as afirmativas corretas.
Provas
Questão presente nas seguintes provas
Um motor de indução trifásico foi testado desde o estado de repouso (N = 0) até a sua rotação síncrona (N = Ns), e os valores de corrente (I) e conjugado (C) foram medidos.
A figura mostra as curvas da corrente e do conjugado normalizadas em relação aos seus valores nominais (In e Cn, respectivamente).

De acordo com esses dados, qual foi a chave de partida utilizada nesse motor?
Provas
Questão presente nas seguintes provas
Duas cargas são conectadas em paralelo em uma fonte de tensão senoidal de 220 volts eficazes. Os valores das resistências, reatância capacitiva e indutiva são mostrados na figura.

Qual o valor eficaz da corrente da fonte?
Provas
Questão presente nas seguintes provas
A figura abaixo mostra o esquemático de um circuito elétrico com uma fonte de tensão contínua.

Qual o valor da tensão V1 quando o circuito estiver em regime permanente?
Provas
Questão presente nas seguintes provas
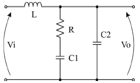
O circuito abaixo mostra um filtro LC com a adição de um ramo capacitivo amortecido.

Qual a função de transferência que relaciona a tensão de saída (Vo) em razão da tensão de entrada (Vi) desse filtro?
Provas
Questão presente nas seguintes provas
Cadernos
Caderno Container