Foram encontradas 50 questões.
Dados os esquemas de aterramento abaixo:

Com base nesses esquemas, analise as afirmativas abaixo:
1. O esquema 2 é TN-C e possibilita a instalação do dispositivo diferencial residual e está em conformidade com a NBR-5410/2004.
2. O esquema 1 é TN-S e possibilita a instalação do dispositivo diferencial residual e está em conformidade com a NBR-5410/2004.
3. O esquema 3 é T-T e possibilita a instalação do dispositivo diferencial residual e está em conformidade com a NBR-5410/2004
.
4. Todos os esquemas estão em conformidade com a NBR-5410/2004 e todos possibilitam a instalação de dispositivo diferencial residual.
Assinale a alternativa que indica todas as afirmativas corretas.
Provas
Relacione abaixo os termos ou equipamentos com suas finalidades nas instalações elétricas.
Coluna 1 Termos ou equipamentos
1. Ligação provisória
2. Caixa de inspeção
3. Entrada de serviço
4. Mufla
5. Megômetro
Coluna 2 Finalidades nas instalações elétricas
( ) Caixa destinada à inspeção e medição da malha de aterramento.
( ) Ligação realizada para atendimento de canteiros de obras.
( ) Dispositivo utilizado para realização de emendas de condutores nas entradas a partir da rede de distribuição primária.
( ) É utilizado para medir resistência de isolamento de materiais isolantes.
( ) Materiais e equipamentos para realizar a ligação de uma unidade consumidora desde o poste da Celesc até o medidor.
Assinale a alternativa que indica a sequência correta, de cima para baixo.
Provas
Dado o esquema de ligação abaixo, identificar os comandos das lâmpadas.

Analise as afirmativas abaixo:
1.A lâmpada 3 pode ser comandada pelos interruptores X e Y porque eles estão em paralelo.
2. A lâmpada 1 pode ser comandada pelos interruptores X e L porque eles estão em paralelo e a lâmpada 2 pode ser comandada pelos interruptores K e Y.
3. A lâmpada 1 pode ser comandada pelos interruptores X e L , a lâmpada 2 é controlada pelo interruptor K e a lâmpada 3 é comandada pelo interruptor Y.
4. A lâmpada 1 pode ser comandada de dois pontos diferentes, enquanto as lâmpadas 2 e 3 só podem ser comandadas de pontos individuais.
Assinale a alternativa que indica todas as afirmativas corretas.
Provas
Assinale a alternativa correta.
Provas
Analise as afirmativas abaixo:
1. Os inversores de frequência que são alimentado em corrente continua e alimentam uma carga de corrente alternada são chamados inversores CC/CA.
2. O inversor de frequência limita o valor da corrente de partida, mantendo o torque do motor.
3. O Soft starter controla a corrente de partida sem diminuir o torque do motor.
4. O inversor de frequência controla a velocidade de partida do motor, porém o torque do motor é reduzido a 60% do valor nominal.
Assinale a alternativa que indica todas as afirmativas corretas.
Provas
Dois condutores de mesmo comprimento, e colocados em paralelo separados a uma distância de 20 centímetros são percorridos por correntes elétricas de mesmo sentido.
Sendo a corrente que circula em um condutor o dobro da corrente do outro, a força de interação entre os condutores é:
Provas
Um chuveiro elétrico de 4620 watts é alimentado por uma rede monofásica com tensão nominal de 220 volts.
A tabela abaixo já leva em consideração a maneira de instalar, o número de circuitos agrupados e a temperatura ambiente.
|
seção nominal do |
capacidade de corrente (A) |
| 2,5 | 24 |
|
4,0 |
32 |
| 6,0 | 41 |
|
10,0 |
57 |
|
corrente nominal dos disjuntores (A) |
| 20 |
| 25 |
| 32 |
| 40 |
Dimensione os condutores e a proteção pelo critério de capacidade de corrente.
Assinale a alternativa que identifica, respectivamente, a seção do condutor que deve ser utilizado e a corrente nominal do disjuntor para proteção do circuito.
Provas
A tensão nos terminais de uma fonte é 12 volts quando está sem carga. Quando uma carga com resistência de 2 Ω é instalada nos terminais da fonte, a tesnão passa a ser 10 volts.
Determine o valor da resistência interna da fonte e a potência fornecida à carga.
Provas
A ocorrência do choque elétrico é a passagem da corrente elétrica pelo corpo humano, e dependendo da intensidade e da duração do choque, a pessoa pode sentir, desde uma pequena contração muscular até paradas cardíaca, respiratória e até queimaduras muito graves.
Analise as afirmativas abaixo em relação ao assunto:
1. A fibrilação ventricular do coração devido ao choque elétrico faz com que as fibras do coração fiquem tremulando desordenadamente e não fazem o sangue circular.
2. A única forma de prevenir a ocorrência de choque elétrico é através da isolação do equipamento.
3. Quando ocorre uma falha de isolação, se o equipamento estiver aterrado e uma pessoa fizer contato com a carcaça do equipamento, a pessoa não sofrerá choque porque a corrente de falta flui pelo aterramento.
4. A instalação do dispositivo diferencial residual nas instalações elétricas secciona o circuito automaticamente, evitando que a pessoa receba o choque elétrico.
Assinale a alternativa que indica todas as afirmativas corretas.
Provas
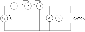
Dado o esquema de ligação dos instrumentos.

Analise as afirmativas abaixo:
1. A ligação do instrumento 1 pode ser utilizada para medir a corrente do circuito e a ligação do instrumento 3 pode ser utilizada para medir a potência da carga.
2. A ligação do instrumento 2 pode ser utilizada para medir o fator de potência do circuito e a ligação do instrumento 5 pode ser utilizada para medir a frequência da rede.
3. A ligação do instrumento 1 pode ser utilizada para medir a frequência da rede e a ligação do instrumento 5 pode ser utilizada para medir a tensão sobre a carga.
4. As ligações dos instrumentos 1 e 2 podem ser utilizadas para medir a frequência da rede e a ligação do instrumento 4 pode ser utilizada para medir a tensão sobre a carga.
Assinale a alternativa que indica todas as afirmativas corretas.
Provas
Caderno Container