Foram encontradas 485 questões.
Um determinado instrumento possui resistência interna de 200 Ω e a intensidade máxima de corrente que pode circular pelo instrumento sem danificá-lo é 2 mA.
Para suportar uma corrente de 1 amper deve ser instalado um resistor em........................ com resistência de..................... e para suportar uma tensão de 100 volts, deve ser instalado um resistor em .....................com resistência de .................... .
Assinale a alternativa que preenche corretamente as lacunas do texto.
Provas
Um circuito alimentador de uma determinada carga precisa ter seu comprimento aumentado para três vezes o comprimento inicial; porém, devido ao aumento do comprimento, a seção do condutor será aumentada em 50% devido à queda de tensão.
Em relação ao disposto, assinale a alternativa correta.
Provas
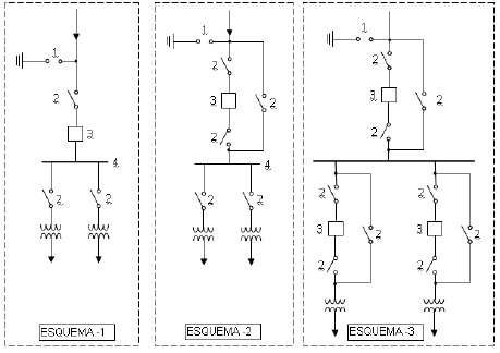
Para realizar o atendimento de consumidores, as concessionárias distribuidoras de energia, como também os consumidores, podem construir subestações com configurações diferenciadas, em função da importância e confiabilidade desejada para o sistema.
Considere as configurações a seguir:

Assinale a alternativa correta.
Provas
Considere o circuito mostrado a seguir:

Que alternativa define a sua principal função?
Provas
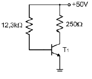
Considere o circuito amplificador a seguir:

Determine os valores que mais se aproximam do par (IC ; VCE) que caracteriza o seu Ponto Quiescente de polarização.
Considere que VBE = 0,7 V e que hFE = 25 para o transistor T1.
Provas
A figura abaixo foi extraída de um osciloscópio de 200 MHz e duplo canal:

Considerando que os sinais medidos não contêm qualquer tipo de distorção, as escalas de tensão são iguais, qual o valor da defasagem entre os dois sinais medidos?
Provas
As figuras a seguir foram extraídas de um osciloscópio de 200 MHz:

Considerando que o sinal de tensão foi medido nos terminais de um resistor de 0,56 Ω, não contém qualquer tipo de distorção, não foi acionado qualquer ganho ou atenuação no painel e a ponteira está no modo ×10, que alternativa descreve a corrente que passa pelo resistor em questão?
Provas
As afirmativas a seguir são referentes aos teoremas fundamentais da álgebra de Boole.
1. Teorema dos elementos nulos: “A ‘soma’ de um elemento X qualquer com 1 é igual a 1”, ou seja, X + 1 = 1.
2. Teorema da idempotência: “A ‘soma’ de um elemento X qualquer com ele mesmo é iguala X”, ou seja, X + X = X.
3. Teorema da convolução: “O complemento do complemento de um elemento X é igual ao próprio elemento X”.
4. Teorema de De Morgan: “O complemento de uma ‘soma’ de elementos é igual ao ‘produto’ dos seus complementos”.
Assinale a alternativa que indica todas as afirmativas corretas.
Provas
Considere o circuito a seguir.

Sendo
\( e_1(t) = \sqrt{2}.220.sen (ωt) \)
\( e_2(t) = \sqrt{2}.220.sen (ωt + 120^{ \circ}) \)
\( e_3(t) = \sqrt{2}.220.sen|(ωt - 120^{ \circ}) \)
Em relação ao circuito apresentado, considere as afirmativas a seguir:
1. A corrente média na carga da carga é dada por: \( i_{Med} = { \large 220 \over \sqrt{2}.R_L} \).
2. Cada diodo conduz quando a tensão da sua fase é positiva e as outras são negativas.
3. Os três diodos têm tensão reversa máxima de aproximadamente Vrev = 539 volts.
Assinale a alternativa que indica todas as afirmativas corretas.
Provas
Considere que o circuito a seguir é alimentado por uma fonte alternada, com tensão eficaz de 100 Volts e frequência de 60 Hz.

Em relação ao circuito, é correto afirmar:
Provas
Caderno Container