Foram encontradas 1.080 questões.
Calcular a potência em W absorvida pelo objeto a seguir:

Assinale a opção CORRETA:
Provas
- Medidas ElétricasTransformadores para instrumentos, Transformador de potencial e Transformador de corrente
Uma indústria é alimentada por um transformador de 500 kVA e outro 225 kVA. O engenheiro de manutenção decidiu desligar o maior transformador todos os dias após o término do expediente e nos finais de semana. A indústria trabalha dez horas por dia e 25 dias por mês. O transformador de 500 kVA tem os seguintes dados:
Perdas no cobre: 6.000 W. Perdas no ferro: 1.700 W.
Assinale a opção CORRETA:
Provas
Uma instalação industrial consome por mês 1.000.000 kWh, considerando que as tensões estão praticamente equilibradas. Porém, modificações na rede da concessionaria resultaram nas seguintes tensões primárias entre fases:
• A-B: 13.950 V.
• B-C: 13.770 V.
• C-A: 13.890 V.
Determine o desiquilíbrio percentual de tensão.
Provas
Uma instalação industrial possui um sistema de ar comprimido constituído por seis unidades com capacidade unitária de produzir 360 l/min. Há suspeita de vazamento em qualquer ponto da rede, que na sua maioria é subterrânea. Foram realizados os apertos nas válvulas e conexões visíveis. Aproveitando uma parada da indústria, foram realizados testes de perda de vazão. O tempo de carga do sistema foi de oito minutos. O tempo de descarga do sistema foi de 10 minutos. Determine o volume de ar desperdiçado de ar comprimido em l/min.
Assinale a opção CORRETA:
Provas
- Transformadores e Máquinas ElétricasMáquinas EstáticasTransformadores Trifásicos e Autotransformadores
Um transformador monofásico, relação de transformação 4.000/220, frequência de 50 Hz, seção do núcleo magnético S = 0,0156 m2, é sede de um fluxo de valor Φ = 0,025 Wb. Determinar o número de espiras secundárias, sabendo que a f.e.m gerada em cada espira é 5,55 V.
O número de espiras secundárias deste transformador é:
Provas
Um condutor de 400 mm de comprimento e disposto normalmente a um campo de indução B = 0,7 Wb/m2, é deslocado normalmente a si próprio e ao campo com a velocidade de 25 m/s. Se o condutor faz parte de um circuito de resistência total R = 7 Ω, a potência em W gerada é:
Provas
Qual a resistência em Ω de um fio de tungstênio (= 0,051) de 16 m de comprimento, tendo uma seção de 0,4 mm2 .
A resistência do cabo é:
Provas
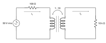
No circuito abaixo, determine a potência média em W dissipada no resistor de 10 k Ω.

A potência média dissipada no resistor de 10 k Ω é:
Provas
Uma linha de transmissão CC está para ser construídas entre duas ilhas separadas por uma distância de 3 km. A tensão de operação é de 500 kV e a capacidade do sistema é de 600 MW. Calcule a resistência do cabo em Ω.
Provas
No seu código de conduta ética, em suas relações com fornecedores e prestadores de serviço, a Celesc exige o cumprimento da legislação vigente, bem como estimula seus fornecedores e prestadores de serviço a respeitarem os princípios e as normas deste Código e a promoverem ações de responsabilidade socioambiental. Sendo assim, a relação com fornecedores e prestadores de serviço deve:
I. Pautar-se pelo profissionalismo, pela transparência, objetividade, clareza das informações e pelas especificações técnicas.
II. Orientar-se pelo respeito incondicional e irrestrito às leis, regulamentos e normas aplicáveis.
III. Contribuir com a preservação da imagem da Celesc e gerar parcerias concretas para a busca de soluções comuns.
IV. Realizar acompanhamento sistemático a fim de verificar a não utilização de trabalho escravo, infantil, degradante, forçado, compulsório ou o descumprimento da legislação ambiental, cobrando práticas seguras no desenvolvimento das atividades.
V. Selecionar e contratar fornecedores e prestadores de serviço baseando-se em critérios legais e técnicos de qualidade, custo e pontualidade e exigir um perfil ético em suas práticas de gestão, de responsabilidade social e ambiental, recusando práticas de concorrência desleal, trabalho infantil, trabalho forçado ou compulsório, bem como outras práticas contrárias aos princípios deste Código, inclusive na cadeia produtiva de tais fornecedores.
Provas
Caderno Container