Foram encontradas 60 questões.
Considere o circuito da figura abaixo, composto de capacitores de 15µF. Assinale a alternativa CORRETA, que contém o valor da capacitância equivalente Ceq existente entre os terminais a e b.

Provas
Sabendo que a configuração Darlington é constituída pela associação de dois transistores (T1 e T2) com seus respectivos ganhos de corrente (B1 e B2). É CORRETO afirmar que o ganho de corrente (B) da configuração Darlington é dada por:
Provas
De acordo com o Sistema Internacional de Unidades (SI) é CORRETO afirmar que as grandezas frequência, carga elétrica, capacitância e condutância elétrica possuem os respectivos símbolos:
Provas
Considere o modelo ideal de um diodo. É CORRETO afirmar que nesse modelo a resistência do diodo quando polarizado diretamente e reversamente é, respectivamente:
Provas
No circuito considere o Amp_Op ideal. É CORRETO afirmar que a expressão da tensão de saída (Vo) em função das entradas V1 e V2 é:

Provas
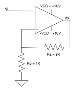
No circuito considere o Amp-Op ideal e que sua saída varie entre os níveis de -Vcc e +Vcc. É CORRETO afirmar que os níveis de comutação LTP e HTP são, respectivamente:

Provas
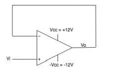
No circuito considere o Amp_Op ideal. É CORRETO afirmar que o ganho (G = Vo/Vi) do circuito é:

Provas
No circuito considere o amp-op ideal e Vi = -2,0V. É CORRETO afirmar que a tensão de saída Vo é dada por:

Provas
Deseja-se polarizar um MOSFET de canal N, tipo intensificação, na região de saturação. Para atender a essa condição é CORRETO afirmar que:
Provas
Em um circuito contendo um transistor NPN foram medidas as tensões de polarização DC indicando VB=2,0V, VC=1,3V e VE=1,3V. Nessa situação é CORRETO afirmar que a região de operação do transistor é:
Provas
Caderno Container