Foram encontradas 80 questões.
Os nomes dos sistemas constituintes do torno indicados pelas letras na figura abaixo são, respectivamente:

Provas
A figura abaixo mostra um dispositivo de produção conhecido como:

Provas
A figura abaixo mostra uma montagem para um torneamento cilíndrico que se faz necessário quando:

Provas
O recartilhamento (vide figura abaixo de uma recartilha) executado em um torno paralelo convencional é uma operação de:

Provas
A diferença entre um processo de usinagem e um processo de conformação é:
Provas
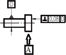
A peça de seção circular da figura abaixo será usinada em um torno mecânico paralelo. De acordo com as tolerâncias de forma mostradas, a fixação deverá ser feita por uma:

Provas
Considere os dados a seguir referentes à apropriação de determinado serviço de uma obra.
Serviço SE 1 - 80 m3
cimento - 5000 kg
areia - 100 m3
brita - 50m3
Considere que os preços totais da areia e da brita, somados, representem, inicialmente, 60% de SE1 e que, nesse serviço, a areia tem o preço total 50% mais caro que o preço total da brita. Assim, de acordo com a composição apresentada o custo do metro cúbico da areia e do metro cúbico da brita no preço final do SE1 correspondem, respectivamente, aos percentuais de
Provas
Considere os dados a seguir referentes à apropriação de determinado serviço de uma obra.
Serviço SE 1 - 80 m3
cimento - 5000 kg
areia - 100 m3
brita - 50m3
Considerando-se que esse serviço foi apropriado em R$ 12.000,00 e que o saco de cimento (50 kg) custa R$ 20,00, a representatividade financeira do cimento, nesse serviço, em percentual está entre
Provas
Um determinado piso de concreto com 400 m2 foi projetado com a espessura de 15 cm. O consumo unitário de cimento proposto foi de 300 kg/m3. Na execução da obra, foram consumidos para esse serviço o total de 864 sacos de cimento de 25 kg. Sabendo-se que o preço do cimento é R$ 0,50/kg, o gasto adicional referente ao cimento foi de
Provas
Considere as informações a seguir referentes a uma instalação predial de esgoto sanitário.
| Unidades Hunter de Contribuição dos aparelhos e diâmetro nominal mínimo dos ramais de descarga |
||
| Aparelho sanitário |
Número de Unidades Hunter de Contribuicão |
Diâmetro nominal mínimo do ramal de descarga (mm) |
| Bacia sanitária |
6 | 100 |
| Banheira |
2 | 40 |
| Bidê |
1 | 40 |
| Lavatório de uso geral |
2 | 40 |
| Mictório calha |
2 | 50 |
| Dimensionamento de ramais de esgoto |
|
| Diâmetro nominal do tubo (mm) |
Número máximo de Unidades |
| 40 | 3 |
| 50 | 6 |
| 75 | 20 |
| 100 | 160 |
Esquema da instalação

| Quantidade de aparelhos chegando nas CI indicadas |
|||||
| Pontos |
Bacia sanitária | Banheira | Bidê | Lavatório uso geral | Mictório calha |
| I | - | 2 | 1 | 2 | 2 |
| II | 4 | 2 | 1 | 3 | 4 |
| III | - | 4 | 2 | 1 | 2 |
Nessas condições, os diâmetros nominais das tubulações T1, T2, T3, T4 e T5, em mm, são
| T1 | T2 | T3 | T4 | T5 |
Provas
Caderno Container