Magna Concursos

Foram encontradas 646 questões.

1901560 Ano: 2014
Disciplina: Eletroeletrônica
Banca: EXATUS
Orgão: CEB
Com relação ao triângulo das potências e fator de potência, assinale a alternativa incorreta:
 

Provas

Questão presente nas seguintes provas
1901559 Ano: 2014
Disciplina: Edificações
Banca: EXATUS
Orgão: CEB

O transistor bipolar de junção do circuito abaixo está operando como fonte de corrente para acionamento do led. Assinale a alternativa que corresponde aos valores das tensões Ve, Vce e Vc, respectivamente:

enunciado 1901559-1

 

Provas

Questão presente nas seguintes provas
1901558 Ano: 2014
Disciplina: Eletroeletrônica
Banca: EXATUS
Orgão: CEB
Com relação as junções de um transistor bipolar de junção, assinale a alternativa que corresponde a sua polarização correta:
 

Provas

Questão presente nas seguintes provas
1901557 Ano: 2014
Disciplina: Eletroeletrônica
Banca: EXATUS
Orgão: CEB
Para os circuitos dados abaixo, os valores dos capacitores são fixos, onde C1 = 100μF/10V e C2 = 100μF/16V. Assinale a alternativa em que a fonte de alimentação fornece maior quantidade de carga elétrica:
 

Provas

Questão presente nas seguintes provas
1901555 Ano: 2014
Disciplina: Eletroeletrônica
Banca: EXATUS
Orgão: CEB

No circuito esquematizado abaixo, S é uma chave seletora. De acordo com a posição da chave, assinale a alternativa correta:

enunciado 1901555-1

 

Provas

Questão presente nas seguintes provas
1901554 Ano: 2014
Disciplina: Eletroeletrônica
Banca: EXATUS
Orgão: CEB

Deseja-se realizar o acionamento eletrônico de uma lâmpada de 127Vca por meio de um relé de 12Vcc. Para tanto, tem-se disponível um sinal CC de 24V, conforme figura. O resistor mostrado no circuito abaixo deverá ter uma potência calculada de:

enunciado 1901554-1

 

Provas

Questão presente nas seguintes provas
1901553 Ano: 2014
Disciplina: Eletroeletrônica
Banca: EXATUS
Orgão: CEB
A usina hidrelétrica de Itaipu fornece energia elétrica para o Brasil e Paraguai, sendo distribuída com uma frequência de 60Hz para o Brasil e 50Hz para o Paraguai. Considerando um valor de tensão eficaz de 220V, assinale a alternativa incorreta:
 

Provas

Questão presente nas seguintes provas
1901552 Ano: 2014
Disciplina: Eletroeletrônica
Banca: EXATUS
Orgão: CEB
Com base no funcionamento dos circuitos retificadores, assinale a alternativa correta:
 

Provas

Questão presente nas seguintes provas
1901551 Ano: 2014
Disciplina: Eletroeletrônica
Banca: EXATUS
Orgão: CEB

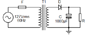
O circuito retificador de meia onda mostrado na figura abaixo possui uma tensão de pico no enrolamento secundário do transformador no valor de 12,73V, considerando o ruído, diodo ideal e que a corrente de carga é de 60mA, o valor da tensão média na carga será:

enunciado 1901551-1

 

Provas

Questão presente nas seguintes provas
1901550 Ano: 2014
Disciplina: Eletroeletrônica
Banca: EXATUS
Orgão: CEB
A eletrônica é o campo da ciência e da engenharia que trata dos dispositivos eletrônicos e de sua utilização. É a parte da física que estuda e utiliza as variações de grandezas elétricas para captar, transmitir e processar informações. Com relação às grandezas elétricas e suas unidades de medida, assinale a alternativa incorreta:
 

Provas

Questão presente nas seguintes provas