Foram encontradas 50 questões.
Observe a seguinte imagem do MS-Excel:

Com base nessa imagem e no ponteiro do mouse em destaque, é correto afirmar que o usuário está

Com base nessa imagem e no ponteiro do mouse em destaque, é correto afirmar que o usuário está
Provas
Questão presente nas seguintes provas
Nos hardwares dos computadores modernos,
existem vias que levam e trazem informações
de/para um determinado componente como
memória e processador. Essas vias são
conhecidas como
Provas
Questão presente nas seguintes provas
Nas versões mais recentes do sistema
operacional Windows da Microsoft, existe
o conceito de Ponto de Restauração que,
segundo manuais oficiais do sistema
operacional, é
Provas
Questão presente nas seguintes provas
O dígito binário é a base da computação. Ele
é um dos responsáveis pela comunicação
com o hardware do computador. Sabendo
que a letra “K" é expressada pelo decimal
“75" na tabela ASCII (American Standard
Code for Information Interchange), assinale
a alternativa correta que apresenta o binário
que representa a letra K na tabela ASCII.
Provas
Questão presente nas seguintes provas
A base para a comunicação de dados
da internet é um protocolo da camada de
aplicação do modelo OSI, que é responsável
por transferir hipertextos. Esse protocolo é
conhecido como
Provas
Questão presente nas seguintes provas
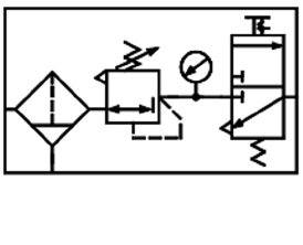
Analisando o circuito hidráulico a seguir, o item em destaque representa

Provas
Questão presente nas seguintes provas
O que o símbolo pneumático a seguir representa?

Provas
Questão presente nas seguintes provas
O símbolo pneumático a seguir representa uma

Provas
Questão presente nas seguintes provas
Com base em normas internacionais, a
simbologia da pneumática foi padronizada
no Brasil pela ABNT. O símbolo a seguir
representa


Provas
Questão presente nas seguintes provas
O aparelho divisor é um acessório da
fresadora. Com ele, é possível fazer divisões
em peças, dentes de engrenagens, dentre
outras operações. Foi solicitado pela
empresa que seja realizada a fresagem de um
sextavado em um tarugo cilíndrico, conforme
evidencia o desenho a seguir. A profundidade
a ser fresada em mm é


Provas
Questão presente nas seguintes provas
Cadernos
Caderno Container