Foram encontradas 715 questões.
A figura a seguir apresenta a instalação elétrica da sala de uma edificação residencial.

Nessa instalação, o eletroduto X deve conter
Provas
A figura a seguir apresenta uma treliça plana

Essa treliça é suportada por um apoio do segundo gênero à esquerda e um apoio de primeiro gênero à direita.
Assim, o grau de estaticidade dessa estrutura vale
Provas
Uma viga metálica, com seção transversal quadrada de lado 6 cm, tem uma de suas extremidades engastada e a outra livre. Essa viga possui um vão de 3,0m ao longo do qual distribui-se uniformemente uma carga de 4,0kN/m.
Nessa condição, e admitindo que o módulo de elasticidade longitudinal do aço vale 200GPa, a máxima deformação imposta à viga vale
Provas
A figura a seguir apresenta uma viga biapoiada com dois vãos em balanço e submetida a uma carga distribuída q.
q

Para que, nessa viga, o máximo momento fletor positivo seja nulo, o vão a deve valer
Provas
A figura a seguir apresenta um tipo de treliça bastante usado na construção de tesouras de telhados com pequenos vãos.

(Adaptada de https://www.engineme.org/blog/ tipos-mais-usados-de-trelica)
Considerando que essa treliça está submetida apenas ao seu próprio peso, as barras tracionadas, entre as indicadas pelos números de 1 a 4, são apenas as barras
Provas
O número PEI (Porcelain Enamel Institute) de um piso indica a resistência ao desgaste do esmalte que cobre esse piso.
Um piso a ser utilizado em ambiente residencial interno com baixo tráfego e que não esteja sujeito a partícula abrasiva é classificado como PEI
Provas
A laje de concreto armado apresentada na figura a seguir possui 12cm de espessura e foi construída com concreto com fck de 30MPa.

(Cotas em cm)
Sabendo que a armadura de flexão positiva, nas duas direções, é mínima e possui bitola de 6,3mm (área igual a 0,32cm\( ^2 \)), o número total de barras utilizado nessa armadura é igual a
Provas
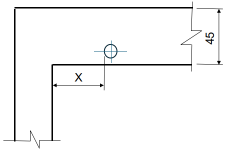
A figura a seguir apresenta a vista lateral de um trecho de uma viga biapoiada de concreto armado com um furo circular na direção de sua largura.

(Cota em cm)
Considerando apenas a distância X do furo à face do apoio, para que haja dispensa de verificação do efeito desse furo na viga, X deve valer, no mínimo,
Provas
Para a produção de um concreto de qualidade, o cimento Portland deve ser guardado em pilhas, em local fechado, e protegido da umidade. Essas pilhas devem estar separadas por corredores que permitam o acesso e apoiadas sobre estrado ou sobre paletes de madeira, para evitar o contato direto com o piso.
Considerando que, em uma obra, o cimento será utilizado 10 dias após o armazenamento, a altura máxima admissível para essas pilhas, em sacos de cimento, é igual a
Provas
A Lei nº 14.133/2021 define os elementos necessários para compor o termo de referência, o anteprojeto, o projeto básico e o projeto executivo de uma obra a ser contratada pela Administração Pública.
De acordo com essa lei, assinale a opção que apresenta um elemento que deve constar do anteprojeto de uma obra.
Provas
Caderno Container