Foram encontradas 90 questões.
- EletrotécnicaCircuitos Elétricos em Eletricidade
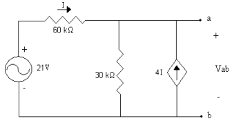
- EletrotécnicaCircuitos de Corrente Contínua e de Corrente Alternada
Dado o circuito, determine a corrente de Norton e a Impedância de Norton, vista nos pontos “a” e “b”, respectivamente.

Provas
Questão presente nas seguintes provas
O gráfico a seguir representa um ensaio muito utilizado em mecânica dos solos. O ensaio em questão é:


Provas
Questão presente nas seguintes provas
Um engenheiro ao fazer a leitura de um projeto, solicitou que fosse construído um elemento estrutural na forma de Pórtico. Ao se referir ao pórtico, o engenheiro estava falando de:
Provas
Questão presente nas seguintes provas
O PPRA – Programa de Prevenção de Riscos Ambientais - e o PCMSO – Programa de Controle Médico e Saúde Ocupacional - fazem parte, respectivamente, das seguintes normas regulamentadoras:
Provas
Questão presente nas seguintes provas
Um projetista buscou nos arquivos da empresa um projeto muito antigo e verificou que estava faltando a escala. Entretanto, apresentava os desenhos e as medidas reais perfeitamente legíveis. Verificou em um dos desenhos que este apresentava na sua representação gráfica 6 cm sendo sua cota de 7,5m. A escala utilizada no projeto era de:
Provas
Questão presente nas seguintes provas
O processo químico que envolve a fabricação de um tubo é o seguinte: o carvão, agindo com a cal, forma o carbureto de cálcio e este, com a água, o acetileno que, se combinado com o ácido clorídrico produzido pela eletrólise do cloreto de sódio, vai formar o cloreto de vinila e este o de polivilina. Trabalhando este material obtem-se os tubos propriamente ditos. O texto acima se refere ao material:
Provas
Questão presente nas seguintes provas
Das peças abaixo, com o mesmo diâmetro, qual delas apresentará maior perda de carga, considerando sua equivalência em metros de tubulação de PVC rígido.
I. Joelho de 90°
II. Curva de 90°
III. Tê de passagem direta
IV. Registro de gaveta aberto
V. Joelho de 45°
A resposta correta é:
I. Joelho de 90°
II. Curva de 90°
III. Tê de passagem direta
IV. Registro de gaveta aberto
V. Joelho de 45°
A resposta correta é:
Provas
Questão presente nas seguintes provas
De acordo com a Lei Complementar n.º 27 de 27 de março de 1996 e a Lei de Uso e Ocupação do Solo Consolidada outubro/2007, os usos do solo definidos para as zonas classificam-se em:
I. Permitidos - são os adequados e que se enquadram nas categorias de uso estabelecidas para a zona determinada;
II. Proibidos - são os inadequados e que não se enquadram nas categorias de uso estabelecidas para a zona determinada;
III. Tolerados - são os proibidos para a zona determinada em decorrência da superveniência desta Lei Complementar, mas que, em razão do direito adquirido, serão admitidos, obedecidas as disposições contidas nesta lei.
Das afirmativas abaixo, qual corresponde à verdade.
I. Permitidos - são os adequados e que se enquadram nas categorias de uso estabelecidas para a zona determinada;
II. Proibidos - são os inadequados e que não se enquadram nas categorias de uso estabelecidas para a zona determinada;
III. Tolerados - são os proibidos para a zona determinada em decorrência da superveniência desta Lei Complementar, mas que, em razão do direito adquirido, serão admitidos, obedecidas as disposições contidas nesta lei.
Das afirmativas abaixo, qual corresponde à verdade.
Provas
Questão presente nas seguintes provas
- Sistemas e Processos Construtivos
- Materiais de construção em Edificações
- Aspectos Legais e Burocráticos em Edificações
De acordo com a NBR 7480, barras e fios de aço destinados a armaduras de concreto são classificados de acordo com o seu processo de fabricação. Sendo assim, barras classe A são:
Provas
Questão presente nas seguintes provas
A representação gráfica onde constam os pontos A, B, C, e D na figura abaixo representa, em topografia:


Provas
Questão presente nas seguintes provas
Cadernos
Caderno Container