Foram encontradas 996 questões.
A desenergização para a realização de manutenção elétrica na qual há descontinuidade elétrica total, normalmente pelo acionamento de um dispositivo específico para tal finalidade, é realizada mediante
Provas
Questão presente nas seguintes provas
Um motor elétrico de indução, ligado a rede de 60 Hz, com quatro pares de polos e escorregamento em plena carga de 5%, possui uma velocidade assíncrona de
Provas
Questão presente nas seguintes provas
A proteção para sobretensões transitórias em linhas de energia causadas por descargas atmosféricas deve ser provida por
Provas
Questão presente nas seguintes provas
Uma impedância com valor em p.u. igual a z = 0,10 + j, considerando-se um sistema em que Sb = 50 MVA e Vb = 100 kV, equivale, em ohms, à
Provas
Questão presente nas seguintes provas
Um gerador ligado em triângulo alimenta uma carga em estrela, em um sistema trifásico equilibrado em sequência direta.
Acerca dessa situação hipotética, assinale a opção correta com referência à tensão da fase A.
Acerca dessa situação hipotética, assinale a opção correta com referência à tensão da fase A.
Provas
Questão presente nas seguintes provas
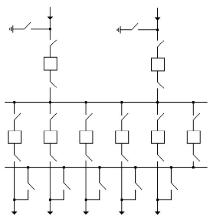
Considerando os equipamentos de manobra, proteção e medição nas
subestações, assinale a opção correta.
Provas
Questão presente nas seguintes provas
Em relação aos disjuntores utilizados em subestações, assinale a opção correta.
Provas
Questão presente nas seguintes provas

Provas
Questão presente nas seguintes provas

Provas
Questão presente nas seguintes provas
Um transformador ideal, conectado no seu primário a uma fonte de tensão alternada ideal, alimenta, através do seu secundário, uma carga resistiva que consome 1 kW. A relação de espiras entre o secundário e o primário do transformador é igual a 10.
Nessa situação hipotética,
Nessa situação hipotética,
Provas
Questão presente nas seguintes provas
Cadernos
Caderno Container