Foram encontradas 1.411 questões.

Determinado sistema consiste da união em paralelo de dois canais de comunicações ideais com diferentes atenuações e retardos no tempo, conforme figura acima. A função de transferência de tal sistema é
Provas

O sinal de tensão v recebido em um sistema de comunicações pode ser modelado por uma variável aleatória cuja função densidade de probabilidade é mostrada na figura acima. Com base nos dados da figura, a probabilidade de a tensão do sinal recebido estar compreendida entre 3 e 4 volts é
Provas
Provas
Um processador possui registradores de dados de 32 bits e pode operar com barramentos de dados ISA de 16 bits ou PCI de 32 bits. Considere a execução das seguintes instruções:

Os números de ciclos de barramento gastos pela instrução de I/O nos barramentos ISA e PCI, respectivamente, serão
Provas
Tratando-se de uma arquitetura PC moderna, considere as seguintes afirmativas:
I - a memória cache conecta-se ao núcleo do processador via FSB;
II - a Ponte Sul é utilizada por dispositivos periféricos que requeiram grande banda de comunicação;
III - um processador dual-core não oferecerá um desempenho melhor quando o sistema estiver rodando um único aplicativo com execução seqüencial.
São corretas APENAS as afirmativas
Provas

Na porta lógica apresentada na figura acima, quando A = 1 e B = 0, os transistores PMOS1, PMOS2, NMOS1 e NMOS2, respectivamente, estarão
Provas
O código a seguir será enviado para uma fábrica com o intuito de produzir um circuito integrado.
architecture comportamento of CKT is
begin
process (CLK,PST)
begin
if (PST = ‘1’) then
Q <= ‘1’;
elsif (CLK’event and CLK = ‘1’)
then
if (CLR = ‘1’) then Q <= ‘0’;
else Q <= D;
end if;
end if;
end process;
end comportamento;
Este código se refere a um
Provas

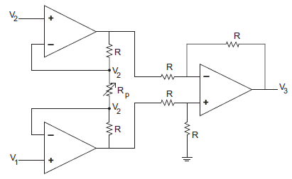
O circuito da figura consiste num amplificador para instrumentação, que utiliza amplificadores operacionais considerados ideais. A expressão correta para a tensão de saída V3 em função de R, Rp, V1 e V2 é
Provas

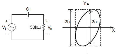
No circuito RC da figura, o sinal de entrada senoidal Vi possui freqüência de oscilação 1000 rad/s. Ao se utilizar o recurso X-Y de um osciloscópio, com o sinal Vi na entrada horizontal X e o sinal Vo na entrada vertical Y, observa-se a Figura de Lissajous indicada, com !$ 2a = \sqrt 2 \ e \ 2b = 2 !$. A capacitância C, em nF, vale
Provas
Provas
Caderno Container