Foram encontradas 1.710 questões.
| parâmetro | mín. | nom. | máx. | unidade | |
| VCC | tensão de alimentação | 4,5 | V | ||
| VIH | tensão de entrada em nível alto | 2 | V | ||
| VIL | tensão de entrada em nível baixo | V | |||
| VOH | tensão de saída em nível alto | 4 | 5 | V | |
| VOL | tensão de saída em nível baixo | 0 | 0,4 | V | |
Na tabela acima, é apresentada a especificação técnica de um circuito digital da família TTL. Considere que mín., nom. e máx., na tabela, sejam designações para valores de tensão mínima, nominal e máxima, respectivamente. Com base na tabela, julgue o item.
No circuito, a margem de ruído para o estado alto é superior a 1,5 V.
Provas
Questão presente nas seguintes provas
| parâmetro | mín. | nom. | máx. | unidade | |
| VCC | tensão de alimentação | 4,5 | 5 | 5,5 | V |
| VIH | tensão de entrada em nível alto | 2 | V | ||
| VIL | tensão de entrada em nível baixo | 0,8 | V | ||
| VOH | tensão de saída em nível alto | 4 | 5 | V | |
| VOL | tensão de saída em nível baixo | 0 | 0,4 | V | |
Na tabela acima, é apresentada a especificação técnica de um circuito digital da família TTL. Considere que mín., nom. e máx., na tabela, sejam designações para valores de tensão mínima, nominal e máxima, respectivamente. Com base na tabela, julgue o item.
A margem de ruído para o estado baixo é inferior a 0,5 V.
Provas
Questão presente nas seguintes provas

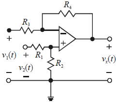
Considerando que, no circuito da figura acima, o amplificador operacional seja ideal, julgue o item a seguir.
Se R3 = R1 e R4 = R2, então !$ v_{ \times} (t) = { \Large { R_2 \over R_1}} \left [ v_1 (t) - v_2 (t) \right ] !$
Provas
Questão presente nas seguintes provas

No circuito ilustrado acima, duas malhas são interconectadas por um quadripolo, com terminais de entrada A e B e terminais de saída C e D. O circuito está operando em regime permanente. As tensões e correntes em qualquer ponto do circuito têm forma de onda senoidal com frequência igual a !$ \omega !$ rad/s. Com base nessas informações, julgue o item abaixo.
As impedâncias dos circuitos aberto de entrada e de saída do quadripolo são, respectivamente, iguais a !$ ( 10 + j 3 \omega ) \times ( j 5 \omega)^{-1} \Omega !$ e !$ 10^{-1} \times j 8 \omega \Omega !$.
Provas
Questão presente nas seguintes provas

Se I0 é a representação fasorial da corrente de entrada i0(t), então !$ I_0 ( 1 + j 4 \omega)^{-1} V_0 !$.
Provas
Questão presente nas seguintes provas

A impedância equivalente vista pela fonte (isto é, entre os terminais A e B) é igual a !$ ( 2 + j 2 \omega) \times ( 1 + j 4 \omega)^{-1} \Omega !$.
Provas
Questão presente nas seguintes provas

No circuito da figura acima, a tensão de entrada, !$ v_0 (t) = A cos ( \omega t + \theta) !$ V, é representada, na forma fasorial, por !$ v_0 = A e^{ j \theta} !$ V, em que !$ j = \sqrt{ -1} !$. Considerando que esse circuito esteja operando em regime permanente, julgue o item a seguir.
Se Vx é a representação fasorial da tensão de saída vx(t), então !$ V_{ \times} = ( 2 + j 2 \omega)^{-1} V_0 !$
Provas
Questão presente nas seguintes provas
Figuras para o item.

A respeito dos circuitos ilustrados nas figuras I, II e III, julgue o seguinte item.
Se, nas figuras I e II, Rx = Ry, Vx = Vy e Ix = Iy, então !$ V_a = { \Large { R_1 \times R_2 \over R_1 + R_2}} \left ( I_0 + { \Large { V_0 \over R_1}} \right) !$.
Provas
Questão presente nas seguintes provas
Figuras para o item.

No circuito ilustrado na figura I,
!$ { \Large { V_2 - V_0 \over R_1}} + { \Large { V_2 \over R_2}} - I_0 + { \Large { V_2 - V_{ \times} \over R_3}} = 0 !$.
Provas
Questão presente nas seguintes provas
Figuras para o item.

No circuito ilustrado na figura I,
!$ R_2 \times ( I_{ \times} + I_1 + I_0) + ( R_3 + R_{\times}) \times I_{ \times} =0 !$.
Provas
Questão presente nas seguintes provas
Cadernos
Caderno Container