Foram encontradas 960 questões.
As alvenarias bem executadas garantem à construção qualidade estética, durabilidade e economia. Com relação a execução de alvenarias de vedação, julgue os itens que se seguem.
Em regiões de embutimento de conduítes, os blocos vazados devem ser assentados com os furos na horizontal.
Provas
As alvenarias bem executadas garantem à construção qualidade estética, durabilidade e economia. Com relação a execução de alvenarias de vedação, julgue os itens que se seguem.
A espessura da argamassa utilizada na instalação da primeira fiada de elementos da alvenaria de vedação deve ser suficiente para a sua fixação e para absorção dos defeitos da superfície da laje.
Provas

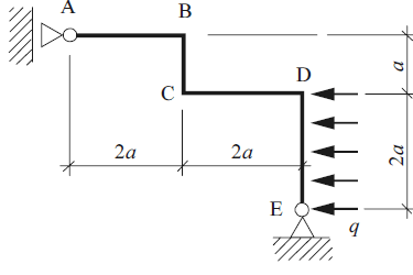
O desenho acima apresenta um corte lateral de um pórtico plano, rígido, com peso desprezível, submetido a um carregamento no trecho DE, uniformemente distribuído, não nulo, com intensidade q. Com base nesse desenho, julgue os seguintes itens.
O momento fletor no ponto D é igual a a2q.
Provas

O desenho acima apresenta um corte lateral de um pórtico plano, rígido, com peso desprezível, submetido a um carregamento no trecho DE, uniformemente distribuído, não nulo, com intensidade q. Com base nesse desenho, julgue os seguintes itens.
A componente vertical da reação no apoio E é nula.
Provas

O desenho acima apresenta um corte lateral de um pórtico plano, rígido, com peso desprezível, submetido a um carregamento no trecho DE, uniformemente distribuído, não nulo, com intensidade q. Com base nesse desenho, julgue os seguintes itens.
O esforço cortante no trecho BC é igual a 2aq.
Provas

O desenho acima apresenta um corte lateral de um pórtico plano, rígido, com peso desprezível, submetido a um carregamento no trecho DE, uniformemente distribuído, não nulo, com intensidade q. Com base nesse desenho, julgue os seguintes itens.
O trecho AB está submetido a compressão.
Provas

O desenho acima apresenta um corte lateral de um pórtico plano, rígido, com peso desprezível, submetido a um carregamento no trecho DE, uniformemente distribuído, não nulo, com intensidade q. Com base nesse desenho, julgue os seguintes itens.
O pórtico é hiperestático.
Provas
Com relação a fôrmas que são componentes importantes para a execução de estruturas de concreto armado de qualidade, julgue os itens a seguir.
No dimensionamento de fôrmas, o peso de operários é considerado como uma sobrecarga de serviço.
Provas
Com relação a fôrmas que são componentes importantes para a execução de estruturas de concreto armado de qualidade, julgue os itens a seguir.
As peças de madeira que apresentam variações significativas da seção transversal ao longo do seu comprimento podem ser utilizadas como fôrmas se apresentarem superfícies lisas.
Provas
Com relação a fôrmas que são componentes importantes para a execução de estruturas de concreto armado de qualidade, julgue os itens a seguir.
As cavernas são cavidades de formato irregular resultantes da fuga de nata por aberturas existentes nas fôrmas.
Provas
Caderno Container