Foram encontradas 40 questões.
Na preparação inadequada de uma parede para
pintura, logo após a secagem da tinta, a superfície
pintada ficou exposta à umidade. Isso provoca o
aparecimento de
Provas
Questão presente nas seguintes provas
O conjunto de ciências e tecnologias que tem por
objetivo proteger todo trabalhador durante suas
atividades, buscando minimizar e evitar acidentes,
bem como doenças ocupacionais, é definido como
Provas
Questão presente nas seguintes provas
O vidro de segurança composto por duas ou mais
placas de vidro, unidas por uma ou mais camadas
intermediárias de PVB (Polivinil Butiral), sendo mais
resistente a impactos, é o vidro
Provas
Questão presente nas seguintes provas
- Sistemas e Processos Construtivos
- Revestimento e Impermeabilização
- Procedimentos Finais e Manutenção
- Manutenção em Edificações
A camada utilizada sobre rebocos internos, com o
objetivo de corrigir as imperfeições da parede e ao
mesmo tempo nivelar a superfície, é a massa
Provas
Questão presente nas seguintes provas
Toda ação sistemática de controle e monitoramento com o objetivo de reduzir ou impedir falhas no
desempenho de equipamentos, aumentando a
confiabilidade durante a operação da máquina, é
definida como manutenção
Provas
Questão presente nas seguintes provas
Na instalação do ar-condicionado, a tubulação
metálica que, em geral, é de cobre, protegida por
espuma de polietileno expandido para passagem
de líquidos e gases gelados, protegidos do calor, é
chamada de rede
Provas
Questão presente nas seguintes provas
O processo construtivo, como ilustrado no desenho a seguir, é o tipo mais utilizado, contando com
inúmeras vantagens, como montagem e desmontagem rápidas; com ótimo reaproveitamento das peças utilizadas, como painéis, portas e vidros, que
são variedades que têm isolamento térmico e acústico, podendo ser produzidas em diversas cores em
seus painéis e perfis e ser feitas em madeira industrializada. Trata-se de


Provas
Questão presente nas seguintes provas
Conforme figura a seguir da instalação de um vaso
sanitário, a medida entre o piso acabado até o eixo
da válvula (7) e o eixo do centro do tubo, na posição
horizontal (2), bem como a distância entre a parede
acabada e o centro da posição final do vaso (5 e 6)
devem ter, respectivamente, as medidas:


Provas
Questão presente nas seguintes provas
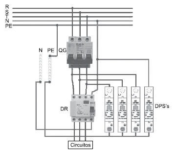
Conforme a ilustração a seguir, a instalação de um dispositivo DPS em um quadro de distribuição tem a principal função de

Provas
Questão presente nas seguintes provas
Os elementos estruturais utilizados nos vãos de portas e janelas com a função de distribuição de cargas
e tensões recebidas da alvenaria são:
Provas
Questão presente nas seguintes provas
Cadernos
Caderno Container