Foram encontradas 670 questões.

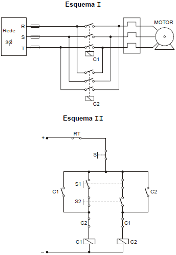
Provas

Provas

Provas
| Resistividade do cobre: 1,75 μΩcm | ||
| Capacidade de condução de corrente Cabos de cobre isolados com PVC 70 °C Temperatura ambiente 30 °C − Instalação em eletroduto aparente | ||
| Seção (mm2) | 2 condutores carregados (A) | 3 condutores carregados (A) |
| 6 10 16 25 35 | 41 57 76 101 125 | 36 50 68 89 110 |
Provas
Considere o seguinte perfil geotécnico determinado por sondagens:

Dados:
− Peso específico natural da argila orgânica mole: 16 kN/m3
− Pressão de sobreadensamento (pré-adensamento da argila orgânica mole): 31 kPa.
− RSA = Razão de Sobreadensamento (OCR = Over Consolidation Ratio)
Para a construção de um conjunto comercial de 3 pavimentos sobre o perfil geotécnico da figura, será necessário a construção de um aterro de 2 m acima do nível do terreno. Considerando que o peso específico natural do aterro quando compactado é 18,5 kN/m3, após a construção do aterro o terreno sofrerá
Provas

Provas
Para uma amostra de areia siltosa sedimentar retirada de 3,5 m de profundidade, abaixo do nível d’água, com teor de umidade de 80% e massa específica dos sólidos de 25 kN/m 3, o valor do seu peso específico natural é, em kN/m 3,
Provas
Provas
Provas
Provas
Caderno Container