Foram encontradas 548 questões.
Analise as conexões de alto-falantes abaixo.
I.

II.

III.

A impedância equivalente das conexões vale:
| I | II | III |
Provas
Questão presente nas seguintes provas
- Linguagens e Suportes MidiáticosEquipamentos e AcessóriosAmplificadores, Crossovers e Caixa Acústica
O gráfico abaixo refere-se a um crossover.
A sua atenuação característica vale
A sua atenuação característica vale
Provas
Questão presente nas seguintes provas
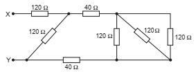
Analise o circuito abaixo.

A resistência equivalente entre os pontos X e Y vale:
Provas
Questão presente nas seguintes provas
Por uma resistência de 680 kΩ passa uma corrente de
50 μA. A queda de tensão sobre a resistência vale
Provas
Questão presente nas seguintes provas
A faixa de frequências padrão de um canal de áudio é:
Provas
Questão presente nas seguintes provas
Considere as seguintes grandezas elétricas:
280 μV − 2,8 mA − 0,5 μW − 47 nF. Elas são equivalentes, respectivamente, a
Provas
Questão presente nas seguintes provas
Considere um amplificador com potência máxima de saída igual a 50 W e impedância de saída de 4 Ω. Para que o alto-falante garanta a máxima transferência de potência do amplificador para ele e para que ele não sofra sobrecarga, as suas especificações devem atender, em princípio, às relações:
| Z (Ω) | P(W) |
Provas
Questão presente nas seguintes provas
- Linguagens e Suportes MidiáticosEquipamentos e AcessóriosAmplificadores, Crossovers e Caixa Acústica
Para testar se a bobina de um alto-falante eletromagnético
está rompida ou não, a posição mais adequada da chave
seletora de um determinado multímetro digital é:
Provas
Questão presente nas seguintes provas
- Linguagens e Suportes MidiáticosEquipamentos e AcessóriosAmplificadores, Crossovers e Caixa Acústica
Um alto-falante de 8 Ω e potência RMS máxima de 100 W
suporta uma tensão de pico a pico máxima igual a
Provas
Questão presente nas seguintes provas
- Linguagens e Suportes MidiáticosEquipamentos e AcessóriosAmplificadores, Crossovers e Caixa Acústica
Um sinal acústico que se propaga no ar com comprimento de onda de 20 cm tem frequência de, aproximadamente,
Provas
Questão presente nas seguintes provas
Cadernos
Caderno Container