Foram encontradas 1.256 questões.
Um circuito elétrico alimenta um equipamento que demanda uma
corrente elétrica de 27 A. A capacidade de condução desse circuito
nas condições da instalação é de 29A e o fator de atuação do
disjuntor que realiza a sua proteção é igual a 1,3.
Sabendo-se que esse equipamento permanece ligado permanentemente, o disjuntor adequado para a proteção desse circuito é de
Sabendo-se que esse equipamento permanece ligado permanentemente, o disjuntor adequado para a proteção desse circuito é de
Provas
Questão presente nas seguintes provas
- Medidas Elétricas
- Instalações ElétricasSubestações
- Sistemas Elétricos de PotênciaDistribuição de Energia Elétrica
Uma subestação industrial abaixadora é composta de um
transformador na configuração delta-estrela de 15√3MVA com
níveis de tensão de 50kV e 10kV. A tensão e a corrente de curtocircuito na entrada da subestação são iguais a 50kV e 1,5kA.
A reatância do sistema até a subestação, considerando que as bases adotadas são iguais aos dados do transformador, é igual a
A reatância do sistema até a subestação, considerando que as bases adotadas são iguais aos dados do transformador, é igual a
Provas
Questão presente nas seguintes provas
- Medidas Elétricas
- Circuitos ElétricosCircuitos CACircuitos Trifásicos
- Sistemas Elétricos de PotênciaAnálise de SEPAnálise de Curto-circuitos
Em uma linha de distribuição trifásica ocorreu um curto-circuito deuma fase para o terra. A tensão base adotada para o local da faltaé de 380V e a tensão de pré-falta igual a 304V.
O somatório das resistências de sequências zero, positiva enegativa é igual a 5,776Ω e a potência de base é igual a 100kVA.A corrente de falta é
O somatório das resistências de sequências zero, positiva enegativa é igual a 5,776Ω e a potência de base é igual a 100kVA.A corrente de falta é
Provas
Questão presente nas seguintes provas
A respeito dos conversores CC-CC, analise as afirmativas a seguir.
I. O conversor Buck diminui a tensão na saída e possui baixa qualidade na corrente de saída. II. O conversor Boost possui corrente de saída contínua. III. O conversor Buck-Boost possui correntes de entrada e saída descontínuas.
É correto somente o que se apresenta em
I. O conversor Buck diminui a tensão na saída e possui baixa qualidade na corrente de saída. II. O conversor Boost possui corrente de saída contínua. III. O conversor Buck-Boost possui correntes de entrada e saída descontínuas.
É correto somente o que se apresenta em
Provas
Questão presente nas seguintes provas
Um motor de indução de 4 polos e escorregamento de 0,2 opera,
em sua condição nominal, na frequência de rotor igual a 20Hz.
A frequência da fonte de alimentação desse motor é
A frequência da fonte de alimentação desse motor é
Provas
Questão presente nas seguintes provas
A respeito de máquinas síncronas, analise as afirmativas a seguir.
I. A corrente de excitação atua no controle da frequência. II. O fluxo de dispersão não interfere no fluxo resultante no air gap. III. O motor síncrono pode iniciar a sua partida por meio de uma alimentação alternada variável.
Está correto o que se afirma em
I. A corrente de excitação atua no controle da frequência. II. O fluxo de dispersão não interfere no fluxo resultante no air gap. III. O motor síncrono pode iniciar a sua partida por meio de uma alimentação alternada variável.
Está correto o que se afirma em
Provas
Questão presente nas seguintes provas
Um motor elétrico solicita da fonte potências aparente e reativa
iguais a 2,0kVA e 1,2kVAr. A potência mecânica desse motor,
operando em suas condições nominais, é de 2HP.
O rendimento desse motor é
O rendimento desse motor é
Provas
Questão presente nas seguintes provas
Considere o modelo de um motor de indução, conforme figura a
seguir:

Este motor tem, na sua partida, uma corrente elevada, devido ao baixo valor de sua impedância equivalente na partida.
A sua impedância equivalente é

Este motor tem, na sua partida, uma corrente elevada, devido ao baixo valor de sua impedância equivalente na partida.
A sua impedância equivalente é
Provas
Questão presente nas seguintes provas
Considere o circuito abaixo, onde R = 10Ω e U = 69V:

A potência elétrica envolvida no circuito é de
Provas
Questão presente nas seguintes provas
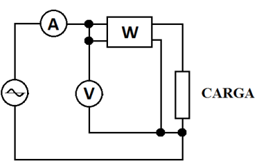
Considere as afirmativas abaixo a respeito da utilização de
Wattímetro (W), voltímetro (V) e amperímetro (A) para medição
de potência, conforme esquema ilustrado a seguir:

I. Considerando que a carga seja uma impedância indutiva, o módulo da potência medida pelo Wattímetro é maior que o módulo do produto das medidas do voltímetro e do amperímetro. II. Considerando que a carga seja uma impedância capacitiva, o módulo da potência medida pelo Wattímetro é menor que o módulo do produto das medidas do voltímetro e do amperímetro. III. Considerando que a carga seja uma resistência pura, o módulo da potência medida pelo Wattímetro é igual ao módulo do produto das medidas do voltímetro e do amperímetro.
Está correto apenas o que se afirma em

I. Considerando que a carga seja uma impedância indutiva, o módulo da potência medida pelo Wattímetro é maior que o módulo do produto das medidas do voltímetro e do amperímetro. II. Considerando que a carga seja uma impedância capacitiva, o módulo da potência medida pelo Wattímetro é menor que o módulo do produto das medidas do voltímetro e do amperímetro. III. Considerando que a carga seja uma resistência pura, o módulo da potência medida pelo Wattímetro é igual ao módulo do produto das medidas do voltímetro e do amperímetro.
Está correto apenas o que se afirma em
Provas
Questão presente nas seguintes provas
Cadernos
Caderno Container