Foram encontradas 830 questões.
Uma máquina de corrente contínua de 50 HP, 200 Vdc, 1200 RPM, possui ligação shunt. Quando alimentada com tensão nominal a máquina consome 102 A da fonte, para acionar uma determinada carga com 800 RPM. Ao mudar a carga o motor passa a girar a 960 RPM. Marque a alternativa que indica o valor correto da corrente consumida da fonte neste caso
. Considere: a resistência na armadura de armadura Ra=0.1 \( Ω \); a resistência de controle em serie com a armadura Raj=0,4 \( Ω \) e a resistência de campo Rf =100 \( Ω \).
Provas
A Estratégia BIM (Building Information Modeling) BR, estabelecida através do Decreto n° 9.983 de 22 de agosto de 2019 e o Decreto de n° 10.306 de 2 de abril de 2020, traz diretrizes para utilização gradual do BIM (Building Information Modeling) no processo de obras e serviços públicos gerenciadas sobre o âmbito do Governo Federal. Sobre as principais características do BIM, podemos destacar:
Provas
Uma fonte de tensão CA monofásica fornece 500 kVA com fator de potência 0,8 atrasado a um circuito. Duas novas cargas são acrescentadas em paralelo ao circuito: (1) 500 kVA com fator de potência 0,6 atrasado; (2) 100+j100 kVA. Considerando a fonte de tensão como referência, o ângulo do fasor da corrente total fornecida pela fonte a esse conjunto de três cargas será:
Provas
O formato da gaiola de esquilo do motor de indução influencia diretamente na caraterística do conjugado/velocidade. Dentre as alternativas, marque qual tipo de gaiola favorece a produção de elevado conjugado de partida e, ao mesmo tempo, baixo valor de escorregamento em regime permanente.
Provas
Sobre conversores CC-CC e CC-CA, assinale a alternativa verdadeira:
Provas
Dado um motor assíncrono trifásico,60 Hz, com 6 polos, aponte o valor do conjugado induzido em kN.m que ele produz quando operando com escorregamento de 5% e potência mecânica de 20 HP. Desconsidere as perdas mecânicas e considere que 1HP≈750 W para facilitar os cálculos.
Provas
Seja um circuito elétrico formado por uma fonte de tensão em série com um resistor, um indutor e um capacitor. Sobre esse circuito:
I.Se a fonte de tensão for constante, a corrente de regime permanente do circuito será nula.
II.Se a fonte de tensão for constante, a corrente de regime permanente do circuito dependerá apenas do valor da resistência do resistor.
III.Se a fonte de tensão for senoidal, existe uma frequência para a qual a corrente de regime permanente fique em fase com a tensão.
IV.Se a fonte de tensão for senoidal, a corrente de regime permanente estará: em fase com a tensão do resistor, 90° avançada em relação à tensão do indutor e 90° atrasada em relação à tensão do capacitor.
Está CORRETO o que se afirma em:
Provas
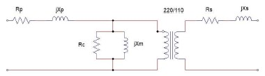
O circuito equivalente de um transformador, como mostrado na figura seguinte, apresenta os respectivos parâmetros dos enrolamentos primário, secundário e núcleo. Qual das opções indica os valores dos parâmetros do primário refletidos no secundário.

Provas
A respeito de equipamentos utilizados em subestações, assinale V para a afirmativa verdadeira e F para a falsa.
( ) Terminação termocontrátil é um equipamento utilizado na conexão de uma rede aérea a condutor nú, em uma rede subterrânea a condutor isolado. Sendo as terminações à base de borracha indicadas para ambientes de elevada poluição.
( ) Em subestações abrigadas, os equipamentos destinados a passagem de um circuito entre cubículos adjacentes são as buchas de passagem para uso interior.
( ) Os transformadores de corrente destinados para medição, quando comparados com os transformadores de corrente destinados a proteção, possuem um elevado nível de corrente de saturação.
( ) Chaves seccionadores primárias são dispositivos destinados à abertura e fechamento de circuitos a plena carga.
As alternativas são, respectivamente:
Provas
Um dos procedimentos obrigatórios para entrada em espaço confinado é realizar a medição interna da atmosfera com um instrumento de leitura direta, calibrado e testado antes do uso. Observe a figura que mostra o "display" de um equipamento durante a medição de um ambiente confinado.

Com base na medição apresentada, o profissional deve dar o seguinte parecer:
Provas
Caderno Container