Foram encontradas 60 questões.
Texto
Portas fechadas
A história oferece uma certeza: não tem passaporte para o futuro econômico e social o país que não for capaz de fazer parte do mundo da inovação. Para ingressar neste mundo, o país deve abrir pelo menos cinco portas.
A primeira é ter universidades e institutos de pesquisas, públicos e privados, com padrões internacionais, convivendo com o setor produtivo em um robusto Sistema Nacional do Conhecimento e da Inovação, interagindo com os qualificados centros científicos e tecnológicos do mundo.
A segunda envolve as empresas. Não entra no mundo da inovação o país cujos empresários se limitem a produzir apenas o que é inventado fora, porque têm aversão a investimentos em pesquisas e desenvolvimento ou porque o setor público despreza a inovação ao não vincular seus financiamentos à criatividade da empresa. Para entrar no mundo da inovação é necessário que os incentivos fiscais e financeiros exijam contrapartida criativa das empresas beneficiadas.
A terceira porta trata da estabilidade institucional. Não é possível o país ser inovador se professores e pesquisadores são obrigados a parar por falta de recursos ou salários ou se leis instáveis mudam constantemente as regras de funcionamento dos centros de pesquisa. Da mesma forma, não há como um país ser inovador se seus empresários não souberem quais leis nortearão o funcionamento da economia, a política fiscal, o grau de abertura comercial e de intervenção estatal.
Uma quarta e decisiva porta para o mundo da inovação é a educação básica de qualidade máxima e equivalente para todas as crianças e jovens. Cada criança que não aprende idiomas, regras básicas das ciências e da matemática é um capital inovador interrompido.
Mas a mais necessária porta para o mundo da inovação é a vontade nacional de dar um salto para ingressar no seleto conjunto de países inovadores. O Brasil não parece ter a vontade para fazer hoje os sacrifícios necessários para entrar em um mundo inovador, daqui a 20 ou 30 anos. Nossa mentalidade imediatista e obscurantista não olha a longo prazo, nem dá valor aos produtos da inteligência, mantendo fechadas as portas que nos separam do mundo da inovação.
(Cristovam Buarque)
A segunda porta da inovação está ligada às empresas. A crítica presente nos comentários do texto se repetem na seguinte frase:
Provas
Questão presente nas seguintes provas
Texto
Portas fechadas
A história oferece uma certeza: não tem passaporte para o futuro econômico e social o país que não for capaz de fazer parte do mundo da inovação. Para ingressar neste mundo, o país deve abrir pelo menos cinco portas.
A primeira é ter universidades e institutos de pesquisas, públicos e privados, com padrões internacionais, convivendo com o setor produtivo em um robusto Sistema Nacional do Conhecimento e da Inovação, interagindo com os qualificados centros científicos e tecnológicos do mundo.
A segunda envolve as empresas. Não entra no mundo da inovação o país cujos empresários se limitem a produzir apenas o que é inventado fora, porque têm aversão a investimentos em pesquisas e desenvolvimento ou porque o setor público despreza a inovação ao não vincular seus financiamentos à criatividade da empresa. Para entrar no mundo da inovação é necessário que os incentivos fiscais e financeiros exijam contrapartida criativa das empresas beneficiadas.
A terceira porta trata da estabilidade institucional. Não é possível o país ser inovador se professores e pesquisadores são obrigados a parar por falta de recursos ou salários ou se leis instáveis mudam constantemente as regras de funcionamento dos centros de pesquisa. Da mesma forma, não há como um país ser inovador se seus empresários não souberem quais leis nortearão o funcionamento da economia, a política fiscal, o grau de abertura comercial e de intervenção estatal.
Uma quarta e decisiva porta para o mundo da inovação é a educação básica de qualidade máxima e equivalente para todas as crianças e jovens. Cada criança que não aprende idiomas, regras básicas das ciências e da matemática é um capital inovador interrompido.
Mas a mais necessária porta para o mundo da inovação é a vontade nacional de dar um salto para ingressar no seleto conjunto de países inovadores. O Brasil não parece ter a vontade para fazer hoje os sacrifícios necessários para entrar em um mundo inovador, daqui a 20 ou 30 anos. Nossa mentalidade imediatista e obscurantista não olha a longo prazo, nem dá valor aos produtos da inteligência, mantendo fechadas as portas que nos separam do mundo da inovação.
(Cristovam Buarque)
No período “Nossa mentalidade imediatista e obscurantista não olha a longo prazo, nem dá valor aos produtos da inteligência, mantendo fechadas as portas que nos separam do mundo da inovação”.
Sobre a estruturação sintática do fragmento acima, assinale a afirmativa correta.
Provas
Questão presente nas seguintes provas
Texto
Portas fechadas
A história oferece uma certeza: não tem passaporte para o futuro econômico e social o país que não for capaz de fazer parte do mundo da inovação. Para ingressar neste mundo, o país deve abrir pelo menos cinco portas.
A primeira é ter universidades e institutos de pesquisas, públicos e privados, com padrões internacionais, convivendo com o setor produtivo em um robusto Sistema Nacional do Conhecimento e da Inovação, interagindo com os qualificados centros científicos e tecnológicos do mundo.
A segunda envolve as empresas. Não entra no mundo da inovação o país cujos empresários se limitem a produzir apenas o que é inventado fora, porque têm aversão a investimentos em pesquisas e desenvolvimento ou porque o setor público despreza a inovação ao não vincular seus financiamentos à criatividade da empresa. Para entrar no mundo da inovação é necessário que os incentivos fiscais e financeiros exijam contrapartida criativa das empresas beneficiadas.
A terceira porta trata da estabilidade institucional. Não é possível o país ser inovador se professores e pesquisadores são obrigados a parar por falta de recursos ou salários ou se leis instáveis mudam constantemente as regras de funcionamento dos centros de pesquisa. Da mesma forma, não há como um país ser inovador se seus empresários não souberem quais leis nortearão o funcionamento da economia, a política fiscal, o grau de abertura comercial e de intervenção estatal.
Uma quarta e decisiva porta para o mundo da inovação é a educação básica de qualidade máxima e equivalente para todas as crianças e jovens. Cada criança que não aprende idiomas, regras básicas das ciências e da matemática é um capital inovador interrompido.
Mas a mais necessária porta para o mundo da inovação é a vontade nacional de dar um salto para ingressar no seleto conjunto de países inovadores. O Brasil não parece ter a vontade para fazer hoje os sacrifícios necessários para entrar em um mundo inovador, daqui a 20 ou 30 anos. Nossa mentalidade imediatista e obscurantista não olha a longo prazo, nem dá valor aos produtos da inteligência, mantendo fechadas as portas que nos separam do mundo da inovação.
(Cristovam Buarque)
“Uma quarta e decisiva porta para o mundo da inovação é a educação básica de qualidade máxima e equivalente para todas as crianças e jovens”. Nesse segmento do texto, a educação básica recomendada é caracterizada por duas marcas
Provas
Questão presente nas seguintes provas
Texto
Portas fechadas
A história oferece uma certeza: não tem passaporte para o futuro econômico e social o país que não for capaz de fazer parte do mundo da inovação. Para ingressar neste mundo, o país deve abrir pelo menos cinco portas.
A primeira é ter universidades e institutos de pesquisas, públicos e privados, com padrões internacionais, convivendo com o setor produtivo em um robusto Sistema Nacional do Conhecimento e da Inovação, interagindo com os qualificados centros científicos e tecnológicos do mundo.
A segunda envolve as empresas. Não entra no mundo da inovação o país cujos empresários se limitem a produzir apenas o que é inventado fora, porque têm aversão a investimentos em pesquisas e desenvolvimento ou porque o setor público despreza a inovação ao não vincular seus financiamentos à criatividade da empresa. Para entrar no mundo da inovação é necessário que os incentivos fiscais e financeiros exijam contrapartida criativa das empresas beneficiadas.
A terceira porta trata da estabilidade institucional. Não é possível o país ser inovador se professores e pesquisadores são obrigados a parar por falta de recursos ou salários ou se leis instáveis mudam constantemente as regras de funcionamento dos centros de pesquisa. Da mesma forma, não há como um país ser inovador se seus empresários não souberem quais leis nortearão o funcionamento da economia, a política fiscal, o grau de abertura comercial e de intervenção estatal.
Uma quarta e decisiva porta para o mundo da inovação é a educação básica de qualidade máxima e equivalente para todas as crianças e jovens. Cada criança que não aprende idiomas, regras básicas das ciências e da matemática é um capital inovador interrompido.
Mas a mais necessária porta para o mundo da inovação é a vontade nacional de dar um salto para ingressar no seleto conjunto de países inovadores. O Brasil não parece ter a vontade para fazer hoje os sacrifícios necessários para entrar em um mundo inovador, daqui a 20 ou 30 anos. Nossa mentalidade imediatista e obscurantista não olha a longo prazo, nem dá valor aos produtos da inteligência, mantendo fechadas as portas que nos separam do mundo da inovação.
(Cristovam Buarque)
“Para entrar no mundo da inovação é necessário que os incentivos fiscais e financeiros exijam contrapartida criativa das empresas beneficiadas”. Sobre a concordância nominal e verbal desse segmento do texto, assinale a afirmativa incorreta.
Provas
Questão presente nas seguintes provas
A respeito de um gerador de corrente contínua, analise as afirmativas a seguir.
I. As espiras da armadura são ligadas a um dispositivo chamado comutador que atua como um conversor AC/DC mecânico.
II. A saída de um gerador de corrente contínua produz uma tensão contínua.
III. A excitação independente ocorre quando uma fonte externa separada do gerador excita sua bobina de campo.
II. A saída de um gerador de corrente contínua produz uma tensão contínua.
III. A excitação independente ocorre quando uma fonte externa separada do gerador excita sua bobina de campo.
Assinale:
Provas
Questão presente nas seguintes provas
Uma bomba eleva 10 m3 de água a uma altura de 18 m em 30 minutos. A potência elétrica do motor dessa bomba, considerando que seu rendimento é de 80 %, é de
Dado: Considerar que 1 litro de água tem massa de 1 kg e que a aceleração da gravidade é de 10 m/s2.
Provas
Questão presente nas seguintes provas
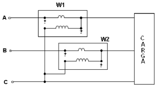
A figura a seguir apresenta uma configuração para a medição de potência elétrica de uma carga trifásica por meio de dois wattímetros.

As medidas desses wattímetros são iguais a W1 e W2.
A respeito dessa potência, assinale a afirmativa correta.
Provas
Questão presente nas seguintes provas
Uma carga elétrica possui potência ativa de 500 W e potência reativa de 100 Var. O fator de potência dessa carga é de
Provas
Questão presente nas seguintes provas
Texto
Portas fechadas
A história oferece uma certeza: não tem passaporte para o futuro econômico e social o país que não for capaz de fazer parte do mundo da inovação. Para ingressar neste mundo, o país deve abrir pelo menos cinco portas.
A primeira é ter universidades e institutos de pesquisas, públicos e privados, com padrões internacionais, convivendo com o setor produtivo em um robusto Sistema Nacional do Conhecimento e da Inovação, interagindo com os qualificados centros científicos e tecnológicos do mundo.
A segunda envolve as empresas. Não entra no mundo da inovação o país cujos empresários se limitem a produzir apenas o que é inventado fora, porque têm aversão a investimentos em pesquisas e desenvolvimento ou porque o setor público despreza a inovação ao não vincular seus financiamentos à criatividade da empresa. Para entrar no mundo da inovação é necessário que os incentivos fiscais e financeiros exijam contrapartida criativa dasempresas beneficiadas.
A terceira porta trata da estabilidade institucional. Não é possível o país ser inovador se professores e pesquisadores são obrigados a parar por falta de recursos ou salários ou se leis instáveis mudam constantemente as regras de funcionamento dos centros de pesquisa. Da mesma forma, não há como um país ser inovador se seus empresários não souberem quais leis nortearão o funcionamento da economia, a política fiscal, o grau de abertura comercial e de intervenção estatal.
Uma quarta e decisiva porta para o mundo da inovação é a educação básica de qualidade máxima e equivalente para todas as crianças e jovens. Cada criança que não aprende idiomas, regras básicas das ciências e da matemática é um capital inovador interrompido.
Mas a mais necessária porta para o mundo da inovação é a vontade nacional de dar um salto para ingressar no seleto conjunto de países inovadores. O Brasil não parece ter a vontade para fazer hoje os sacrifícios necessários para entrar em um mundo inovador, daqui a 20 ou 30 anos. Nossa mentalidade imediatista e obscurantista não olha a longo prazo, nem dá valor aos produtos da inteligência, mantendo fechadas as portas que nos separam do mundo da inovação.
(Cristovam Buarque)
A primeira das condições exposta pelo autor só não diz respeito à
Provas
Questão presente nas seguintes provas
A respeito dos materiais magnéticos, assinale V para a afirmativa verdadeira e F para a falsa.
( ) Os materiais diamagnéticos apresentam uma magnetização alinhada ao campo magnético.
( ) Nos materiais paramagnéticos a magnetização diminuí na presença de um campo externo.
( ) Nos materiais ferromagnéticos ocorre a desmagnetização, quando submetidos a uma temperatura acima de uma temperatura limite denominada de Temperatura de Curie.
As afirmativas são, respectivamente,
Provas
Questão presente nas seguintes provas
Cadernos
Caderno Container