Foram encontradas 1.172 questões.
Os diagramas de constelação ajudam a definir a amplitude e a fase de um elemento de sinal. Abaixo é mostrado um diagrama de constelação.

Este diagrama de constelação é a representação de um sinal

Este diagrama de constelação é a representação de um sinal
Provas
Questão presente nas seguintes provas
O desenho mostrado a seguir se refere ao diagrama de radiação no plano horizontal de uma antena.

Esse diagrama se refere a uma antena do tipo

Esse diagrama se refere a uma antena do tipo
Provas
Questão presente nas seguintes provas
Conforme a teoria eletromagnética, em especial a lei circuital de Ampère, ao circular uma corrente contínua por um condutor cilíndrico reto, linhas de fluxo magnético
irão aparecer nas proximidades do condutor. Essas linhas de fluxo magnético caracterizam a existência de um campo magnético, que é uma quantidade vetorial
com módulo, direção e sentido.
No caso do condutor cilíndrico reto citado, o campo magnético terá
Provas
Questão presente nas seguintes provas
Abaixo é mostrado o diagrama esquemático de um circuito com portas lógicas.

Todos os circuitos abaixo são funcionalmente equivalentes ao circuito acima, EXCETO:

Todos os circuitos abaixo são funcionalmente equivalentes ao circuito acima, EXCETO:

Provas
Questão presente nas seguintes provas
A STMicroelectronics é uma empresa europeia de semicondutores que tem, em
sua linha de produtos, a família STM32 de microcontroladores, que trabalha com
palavra (word) de 32 bits. Um determinado microcontrolador dessa família tem uma
memória de programa de 64 kword.
A quantidade total de bits nessa memória de programa é
Provas
Questão presente nas seguintes provas
Um amplificador transistorizado pode ser construído em três diferentes configurações: base comum, coletor comum e emissor comum.
Analise as afirmativas abaixo sobre as configurações de circuitos amplificadores
transistorizados.
I) O amplificador transistorizado na configuração emissor comum é o único em que a fase do sinal da saída está defasada 180º em relação à fase do sinal de entrada.
II) A configuração coletor comum é muito utilizada para o casamento de impedâncias.
III) Um amplificador transistorizado na configuração emissor comum, operando na região ativa, possui as junções base coletor e base emissor diretamente polarizadas.
IV) A configuração base comum apresenta um valor de impedância de entrada muito baixo e um valor de impedância de saída também muito baixo, sendo a configuração ideal para sinais de tensão de pequenas amplitudes.
Está CORRETO apenas o que se afirma em
I) O amplificador transistorizado na configuração emissor comum é o único em que a fase do sinal da saída está defasada 180º em relação à fase do sinal de entrada.
II) A configuração coletor comum é muito utilizada para o casamento de impedâncias.
III) Um amplificador transistorizado na configuração emissor comum, operando na região ativa, possui as junções base coletor e base emissor diretamente polarizadas.
IV) A configuração base comum apresenta um valor de impedância de entrada muito baixo e um valor de impedância de saída também muito baixo, sendo a configuração ideal para sinais de tensão de pequenas amplitudes.
Está CORRETO apenas o que se afirma em
Provas
Questão presente nas seguintes provas
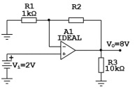
Para o circuito abaixo, considere o amplificador operacional ideal e alimentado com ± 15V.

Para que o valor da tensão em Vo seja igual a 8 V quando o valor da tensão em Vi é igual a 2 V, o valor do resistor R2 deverá ser igual a
Provas
Questão presente nas seguintes provas
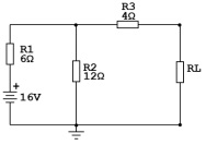
Em muitas aplicações se deseja que seja transferida a maior potência possível a uma carga.

Para que seja fornecida a máxima potência à carga RL, no circuito acima, o valor de RL deverá ser igual a
Provas
Questão presente nas seguintes provas
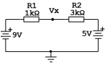
O valor da tensão medida em Vx em relação ao terra no circuito abaixo, é igual a

Provas
Questão presente nas seguintes provas
Relativamente à posse, é INCORRETO afirmar que o Código Civil vigente:
Provas
Questão presente nas seguintes provas
Cadernos
Caderno Container