Magna Concursos

Foram encontradas 309 questões.

3159748 Ano: 2014
Disciplina: Segurança e Saúde no Trabalho (SST)
Banca: FUMARC
Orgão: AL-MG

É considerado trabalhador qualificado, segundo a NR 10, aquele que

 

Provas

Questão presente nas seguintes provas
3159747 Ano: 2014
Disciplina: Segurança e Saúde no Trabalho (SST)
Banca: FUMARC
Orgão: AL-MG

Conforme a NR 10, “Os estabelecimentos com carga instalada superior a 75 kW devem constituir e manter o Prontuário de Instalações Elétricas”. Esse Prontuário dever conter, dentre outros, o seguinte item:

 

Provas

Questão presente nas seguintes provas
3159746 Ano: 2014
Disciplina: Segurança e Saúde no Trabalho (SST)
Banca: FUMARC
Orgão: AL-MG

De acordo com a NR 10, as instalações elétricas somente serão consideradas desenergizadas e liberadas para trabalho se forem executados os seguintes procedimentos, EXCETO:

 

Provas

Questão presente nas seguintes provas
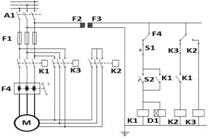
3159745 Ano: 2014
Disciplina: Eletroeletrônica
Banca: FUMARC
Orgão: AL-MG

O modelo de partida do motor de indução M.

Enunciado 3548075-1

 

Provas

Questão presente nas seguintes provas
3159743 Ano: 2014
Disciplina: Engenharia de Telecomunicações
Banca: FUMARC
Orgão: AL-MG

A figura abaixo apresenta uma topologia de cabeamento de fibra ótica.

Enunciado 3548073-1

O modelo de topologia dessa figura é

 

Provas

Questão presente nas seguintes provas
3159742 Ano: 2014
Disciplina: Engenharia Elétrica
Banca: FUMARC
Orgão: AL-MG

Uma tensão de 127 V (eficaz) possui influência da 3ª, 5ª e 7ª harmônicas, cujas amplitudes são 4, 5 e 1 volts, respectivamente. O valor que mais se aproxima da taxa de distorção harmônica total é

 

Provas

Questão presente nas seguintes provas
3159741 Ano: 2014
Disciplina: Engenharia Elétrica
Banca: FUMARC
Orgão: AL-MG

São efeitos e consequências das harmônicas em sistemas elétricos, EXCETO:

 

Provas

Questão presente nas seguintes provas
3159740 Ano: 2014
Disciplina: Engenharia Elétrica
Banca: FUMARC
Orgão: AL-MG

Sobre a qualidade da energia, é correto o que se afirma, EXCETO em:

 

Provas

Questão presente nas seguintes provas
3159739 Ano: 2014
Disciplina: Engenharia Elétrica
Banca: FUMARC
Orgão: AL-MG

A potência do compensador síncrono trifásico necessário para elevar o fator de potência de uma carga de 20 kW de 0,6 para 0,8 ambos atrasados é igual a

 

Provas

Questão presente nas seguintes provas
3159738 Ano: 2014
Disciplina: Engenharia Elétrica
Banca: FUMARC
Orgão: AL-MG

Para que um gerador síncrono seja conectado ao sistema interligado, composto por dezenas de outros geradores, as seguintes condições devem ser satisfeitas, EXCETO:

 

Provas

Questão presente nas seguintes provas