Foram encontradas 719 questões.
Deseja-se utilizar um TC para monitorar a corrente de linha no primário de um transformador. A potência do transformador é13√3 MVA e a tensão de linha 13 kV.
Sabendo-se que a relação de transformação do TC escolhido é 200, o valor da corrente elétrica de linha no primário para a corrente do TC igual a 2A é
Provas
A respeito do comportamento dos materiais utilizados para a isolação, analise as afirmativas a seguir.
I. A ruptura dos dielétricos se dá quando o campo elétrico qual o material está sujeito ultrapassa um determinado valor, ocasionando a ruptura do dielétrico.
II. O efeito corona entre dois condutores ocorre quando existe uma grande diferença de potencial, junto às suas superfícies, fazendo com que apareça um campo elétrico que provoca a ionização do ar ou gás a sua volta.
III. A rigidez dielétrica superficial para os isolantes sólidos é a capacidade de evitar que um arco elétrico atravesse a sua massa.
Assinale:
Provas
Provas
Uma carga elétrica monofásica de 9.000 W alimentada por uma tensão de 200 V possui fator de potência indutivo igual a 0,866. O fator de potência dessa carga foi elevado à unidade por meio do uso de um banco de capacitores. O valor da reatância capacitiva desse banco, ohms, é
Provas
A figura a seguir apresenta um sistema elétrico composto por dois geradores G1 e G2, dois transformadores T1 e T2, uma linha de transmissão LT e uma carga. A linha de transmissão possui uma reatância de 200Ω e a tensão e potência de bases no setor 1 são 10 kV 1.000 kVA.
Sabendo-se que o transformador T1 tem como tensões do lado do setor 1 e setor 2, respectivamente, 10 kV e 100 kV, a impedância da linha de transmissão em p.u. é

Provas

Provas
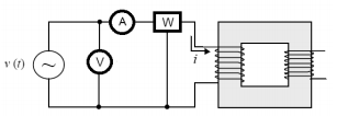
A figura a seguir apresenta um circuito para o ensaio em vazio de um transformador de força. Esse circuito é composto, além do transformador, de um amperímetro A, um voltímetro V e um Wattímetro W.

A respeito desse experimento, assinale a afirmativa correta.
Provas
A figura a seguir apresenta a curva de histerese de um material magnético.

A histerese é um fenômeno de perdas de energia que ocorre devido à propriedade de todo material magnético de se opor à variação do ciclo magnético que por ele circula. Essas perdas são proporcionais à
Provas
A figura a seguir apresenta um evento transitório na resposta da tensão de um sistema elétrico.

Esse tipo de perturbação no sistema elétrico é um evento
Provas
A figura a seguir apresenta três curvas típicas de semicondutores muito utilizados em eletrônica de potência.

Relacione essas curvas com o tipo de semicondutor:
Semicondutor:
( ) DIAC
( ) TRIAC
( ) SCR
Assinale a alternativa que mostra a relação correta, da esquerda para a direita:
Provas
Caderno Container