Foram encontradas 447 questões.
Em relação aos níveis de tarifas de fornecimento de energia
elétrica a serem cobrados de consumidores finais, assinale a
opção correta.
Provas
Questão presente nas seguintes provas
Assinale a opção correta acerca da ação fiscalizadora da ANEEL,
de acordo com o previsto no Decreto n.º 2.335/1997.
Provas
Questão presente nas seguintes provas
Uma empresa tornou-se concessionária de geração de
energia elétrica em 1995, com prazo máximo para exploração do
serviço previsto em contrato, e a direção dessa empresa tem
alegado dificuldades no que se refere à recuperação do
investimento realizado.
A respeito dessa situação hipotética, assinale a opção correta à luz do que dispõe a Lei n.º 9.074/1995.
A respeito dessa situação hipotética, assinale a opção correta à luz do que dispõe a Lei n.º 9.074/1995.
Provas
Questão presente nas seguintes provas
Segundo o disposto na Lei n.º 9.427/1996, compete à ANEEL
Provas
Questão presente nas seguintes provas
Em relação às concessões de serviços públicos e de obras
públicas e às permissões de serviços públicos, assinale a opção
correta com base no disposto na Lei n.º 8.987/1995.
Provas
Questão presente nas seguintes provas
Em conformidade com disposto na Resolução Normativa
ANEEL n.º 1.000/2021, o ponto de conexão de um imóvel pode
estar localizado
Provas
Questão presente nas seguintes provas
De acordo com o estabelecido na Resolução Normativa ANEEL
n.º 1.000/2021, o grupamento de unidades consumidoras que
opera em maior tensão de conexão, de 230 kV ou superior, é o
subgrupo
Provas
Questão presente nas seguintes provas
Todos os equipamentos que utilizam energia elétrica devem ser
instalados de modo a serem utilizados com segurança dentro da
edificação. A partir dessa premissa, assinale a opção correta.
Provas
Questão presente nas seguintes provas

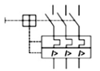
O símbolo precedente representa o componente elétrico denominado
Provas
Questão presente nas seguintes provas
Acerca de motores elétricos de indução, assinale a opção correta.
Provas
Questão presente nas seguintes provas
Cadernos
Caderno Container