Foram encontradas 50 questões.
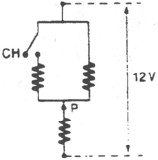
Neste circuito, todos os resistores são iguais e, com a chave CH aberta, flui uma corrente i em P. Com a chave CH fechada, a corrente elétrica no ponto P é igual a:

Provas
A laminação no núcleo dos transformadores é feita para:
Provas
As 10 lâmpadas de uma árvore de Natal são ligadas em série. Numerando essas lâmpadas de 1 a 10 e supondo que a nona lâmpada queime:
Provas
O escorregamento de um motor trifásico de corrente alternada de 2 pólos a uma velocidade de 2.790 rpm, em 50 Hz, é:
Provas
São causas de baixo fator de potência nas instalações elétricas, exceto:
Provas
Os motores elétricos normalmente devem ser aterrados para:
Provas
O para-raios é uma proteção contra:
Provas
Os condutores devem apresentar características de:
Provas
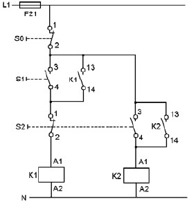
No comando elétrico da figura abaixo o dispositivo S2 é:

Provas
O comando elétrico da figura abaixo é ativado e desativado pelos botões S1 e S0 respectivamente.

No instante em que for acionado o botão S1, será(ao) energizado(s) o(s) dispositivos:
Provas
Caderno Container