Foram encontradas 40 questões.
Uma carga em estrela, com impedâncias por fase Z1, Z2 e Z3, é conectada a quatro fios a um transformador simétrico, também em estrela, como apresentado na figura a seguir.

Nesse esquema, é INCORRETO afirmar que:
Provas
Em um sistema PCM de 8 bits de transmissão de imagens, com sinal ocupando uma banda de 4 MHz e frequência de amostragem de 8 MHz, a taxa de transmissão de dados será de:
Provas
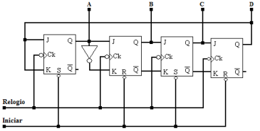
Considere que, no circuito representado na figura abaixo, seja inicialmente armazenado o estado 1010 (ABCD).

Após 4 pulsos de relógio, o dado armazenado será mostrado como
Provas

Com relação ao circuito acima, assinale a alternativa correta.
Provas
Um oscilador em Ponte de Wien fornece, em sua saída, uma onda:
Provas
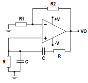
O circuito com amplificador operacional, apresentado na figura abaixo, é um oscilador.

Em relação ao oscilador, assinale a alternativa correta.
Provas
Um transistor bipolar, polarizado na configuração coletor comum, tem como características:
Provas
A figura abaixo representa a tela de um osciloscópio ajustado para 10V/DIV e 200μs/DIV.

Com relação ao sinal senoidal apresentado, é correto afirmar que os valores eficaz (rms) e frequência são, respectivamente,
Provas

Com relação ao circuito amplificador, apresentado na figura acima, assinale a alternativa correta.
Provas

Considerando, no circuito da figura acima, que a tensão zener do diodo D1 é 12V, é correto afirmar que o valor da tensão VS é
Provas
Caderno Container