Foram encontradas 50 questões.
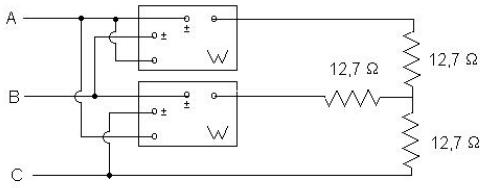
Considere o sistema trifásico equilibrado com sequência de fases ABC e tensão de linha 220 V. Despreze qualquer interferência dos wattímetros e a impedância dos condutores.

A soma das leituras dos dois wattímetros será
Provas
Analise a ponte de Wheatstone mostrada na figura abaixo.

A corrente que flui pelo galvanômetro é de
Provas
Num determinado transformador de potencial (TP), ao se aplicar 240 V em seu enrolamento primário, obtém-se 0,8 V no secundário. O número de espiras e a tensão no secundário que teremos aplicando 138 kV no lado primário valem, respectivamente,
Provas
Numa associação de resistores em paralelo, de igual capacidade, o número de elementos que serão necessários para que sua resistência equivalente seja reduzida à quarta parte dos resistores associados é igual a
Provas
A capacitância total de um capacitor de 3 \( μ \)F, um de 5 \( μ \)F e um de 10 \( μ \)F, associados em série, é de
Provas
Observe a figura a seguir.

Uma linha trifásica a quatro fios com tensão de fase de 120 V alimenta um motor balanceado de 260 kVA e fator de potência atrasado de 0,85. O motor é conectado às três principais linhas, identificadas por A, B e C. Além disso, lâmpadas incandescentes são conectadas da seguinte maneira: 24 kW (da linha A para o neutro), 15 kW (da linha B para o neutro) e 9 kW (da linha C para o neutro).
Considerando cos 31,79º = 0,85 e sen 31,79º = 0,53, é INCORRETO o afirmar que
Provas
Na figura seguinte está esquematizada a clássica ligação “estrela-triângulo” utilizada na partida de motores de indução trifásicos.

Para esse circuito, a menor corrente de partida do motor será obtida
Provas
A figura abaixo mostra um circuito elétrico constituído por uma fonte em corrente contínua ideal e uma rede de resistores ligados em série e em paralelo.

Analise as afirmativas a seguir.
I. A potência fornecida pela fonte é igual a 120 W.
II. A tensão v é igual a 8 V.
III. Se um dos resistores de 8 \( Ω \) repentinamente apresentar problema, de modo que fique em circuito-aberto, a corrente i gerada nessa situação é maior que a corrente gerada no mesmo ramo do circuito quando o circuito funcionava normalmente.
IV. Se ocorrer um curto-circuito nos terminais do resistor de 4 \( Ω \), ligado em série com a fonte, a corrente i triplica com relação à situação em que o resistor funcionava normalmente no circuito.
É CORRETO afirmar que são verdadeiras as afirmativas
Provas
Um transformador de distribuição trifásico apresenta o secundário conectado em estrela aterrada. A tensão de saída no secundário é do tipo senoidal, com frequência 60 Hz e 200 V eficazes, de fase para neutro.
É INCORRETO afirmar que
Provas
Uma carga trifásica, equilibrada em triângulo, é ligada a uma rede elétrica trifásica, equilibrada e simétrica, cuja tensão de linha é igual a 220 V eficazes. Sabe-se que a carga absorve potência de 2,2 kW e apresenta fator de potência unitário. Acerca desse assunto, julgue os itens a seguir.
I. A corrente de linha para alimentação da carga é igual a 10 A.
II. A tensão de fase da carga é igual à tensão de linha.
III. As correntes de fase e de linha na ligação em triângulo têm defasagem igual a 30º.
IV. Se, em vez de estar ligada em triângulo, a carga estivesse ligada em estrela, aterrada na mesma rede elétrica, as suas tensões fase-neutro e de linha teriam a mesma fase.
É CORRETO afirmar que é(são) verdadeira(s) a(s) afirmativa(s)
Provas
Caderno Container