Foram encontradas 60 questões.
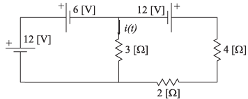
Dado o circuito ilustrado na figura, assinale a alternativa que indica corretamente o valor da corrente i(t).

Provas
Um resistor de 10 [kΩ], cuja classe de precisão de ± 5% é conectado a uma fonte de tensão de 11 [V], cuja resistência interna é 0,5 [kΩ]. Nesse contexto, assinale a alternativa que indica, correta e respectivamente, as correntes mínima e máxima fornecidas pela fonte, quando alimenta resistores desta classe de precisão.
Provas
Um técnico de laboratório efetuou medições de tensões em um circuito elétrico composto por uma fonte de tensão senoidal que alimenta um resistor em série com um capacitor. Dado que as tensões medidas nos terminais do resistor e do capacitor são 3 [V] e 4 [V], respectivamente, indique a alternativa que apresenta corretamente o módulo da tensão fornecida pela fonte.
Provas
A figura ilustra um sinal senoidal presente na tela de um osciloscópio analógico. Supondo que a ponta de prova utilizada para esta medição esteja calibrada no modo 1X, que o ajuste de tempo esteja em 100 [ms/div] e o ajuste do canal de entrada esteja em 200 [mV/div], assinale a alternativa que indica, correta e respectivamente, o valor pico-a-pico e o período do sinal senoidal.

Provas
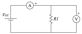
A figura a seguir ilustra o arranjo típico utilizado para medições de tensão e corrente em um resistor genérico denominado R1.

Supondo que VCC = 12 [V] e R1 = 10 [kΩ], assinale a alternativa que indica, correta e respectivamente, as medições efetuadas pelo amperímetro e pelo voltímetro.
Provas
Os circuitos 1 e 2 da figura ilustram associações entre capacitores e resistores, respectivamente. Sendo assim, assinale a alternativa que indica, correta e respectivamente, a resistência e capacitância equivalentes entre os pontos A e B.

Provas
A figura ilustra a variação de carga elétrica em função do tempo, em um bipolo desconhecido. Assinale a alternativa que apresenta corretamente o gráfico da corrente que atravessa esse bipolo.

Provas
Um capacitor de placas paralelas foi submetido a um sinal de tensão de 10 [V] em corrente contínua. Nessa condição, a carga acumulada em cada uma de suas placas é de 10–4 [C] e –10–4 [C], respectivamente. A alternativa que indica corretamente o valor da capacitância desse elemento é
Provas
Duas partículas carregadas eletricamente com cargas Q1 = 1 [C] e Q2 = 3 [C], respectivamente, estão separadas por uma distância de 3 [m]. Supondo que a permissividade do meio, onde as partículas estão inseridas, seja !$ \epsilon = \dfrac{1}{12\pi} !$, assinale a alternativa que indica corretamente a magnitude da força elétrica entre as partículas.
Provas
Um elemento elétrico desconhecido foi submetido ao sinal de tensão ilustrado no Gráfico 1 da figura. Nessa situação, a corrente que atravessa o elemento em questão está ilustrada no Gráfico 2. Sendo assim, assinale a alternativa que indica corretamente o elemento em questão.

Provas
Caderno Container