Foram encontradas 60 questões.

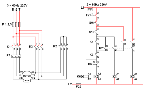
A figura anterior mostra o esquema elétrico de partida Estrela – Triângulo do motor de indução trifásico. No lado esquerdo, o circuito de potência, e no lado direito, o circuito de comando. No circuito de potência existe um dispositivo com nome F7. Qual a função deste dispositivo?
Provas

A figura acima mostra o esquema elétrico de partida Estrela – Triângulo do motor de indução trifásico. No lado esquerdo, o circuito de potência, e no lado direito, o circuito de comando.
Qual a sequência correta de operação dos contatores K1, K2 e K3?
Provas
O multímetro ilustrado na figura abaixo é indicado para categoria I. Quais as aplicações em que podem ser usados equipamentos desta categoria?

Provas

A figura acima ilustra um multímetro configurado para realizar uma medição. Para medir uma corrente contínua entre 1 A a 5 A, o que é preciso alterar?
Provas

A figura acima ilustra um multímetro. Que variável está sendo medida? E qual a faixa de valores que podem ser medidos?
Provas
Na manutenção de motores elétricos, é importante verificar se não há problemas de isolação elétrica entre a carcaça e os enrolamentos. O instrumento utilizado para medir a isolação elétrica é o:
Provas
Um sistema de aterramento adequado pode evitar danos materiais e choques elétricos. O instrumento utilizado para medir o aterramento é:
Provas
A NBR 5410 é aplicada em instalações elétricas para qual faixa de tensão?
Provas
Disciplina: Segurança e Saúde no Trabalho (SST)
Banca: UFSCAR
Orgão: UFSCAR
Faz parte da NR10:
Provas
Disciplina: Segurança e Saúde no Trabalho (SST)
Banca: UFSCAR
Orgão: UFSCAR
O que é a NR10?
Provas
Caderno Container