Foram encontradas 60 questões.
• 1 chuveiro de 6.000 W bifásicos. • 4 luminárias LED totalizando 60 W. • 6 tomadas simples de 100 W. • 2 tomadas de potência (Cozinha) de 600 W. • 1 tomada de potência (ventilador de teto) de 600 W.
Sabe-se que, para a elaboração do projeto elétrico, haverá um circuito para cada chuveiro, um circuito de iluminação para cada dormitório, um circuito de tomadas simples para cada dormitório e um circuito para as tomadas de potência de cada dormitório. Nesse sentido, de acordo com a NBR 5410 e considerando economia e segurança, assinale a alternativa que melhor descreve o dimensionamento dos cabos para esse projeto elétrico.
Provas
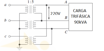
Fonte: Sadiku (2013) – Fundamentos de circuitos elétricos.
Provas
Provas
Analise a imagem abaixo de um esquema de aterramento e as assertivas a seguir:

I. O ponto da alimentação (em geral, o secundário do transformador com seu ponto neutro) está diretamente aterrado e as massas da instalação estão ligadas a um eletrodo de aterramento (ou a mais de um eletrodo), independentemente do eletrodo de aterramento da alimentação.
II. Um ponto da alimentação – em geral, o neutro – é diretamente aterrado e as massas dos equipamentos elétricos são ligadas a esse ponto por um condutor metálico.
III. Não existe nenhum ponto da alimentação diretamente aterrado; ele é isolado da terra ou aterrado por uma impedância de valor elevado. As massas são ligadas à terra por meio de eletrodo ou eletrodos de aterramento próprios.
Qual é o esquema de aterramento apresentado na figura acima e com qual das descrições ele está relacionado?
Provas
Qual deverá ser o painel solar utilizado para garantir a menor quantidade de painéis solares para atender ao consumo de energia elétrica do posto de saúde, assumindo um rendimento geral de 100%, isto é, um sistema sem perdas, e qual será a quantidade (N) de painéis utilizada na instalação, respectivamente? Observação: assumir mês de 30 dias.
Provas

Provas
Sequência para ativação do Motor
( ) Como consequência, A contatora KM1 será energizada.
( ) Pressionar botão B1.
( ) Ligar disjuntores DJ1 e DJ2.
( ) Com a contatora energizada, as chaves KM1 serão fechadas e travadas, acionando o motor trifásico, que entrará em funcionamento.
Sequência para desativação do Motor
( ) Pressionar o botão B0.
( ) Sem energia na contatora KM1, as chaves Km1 serão liberadas, abertas, desligando o motor.
( ) Como consequência, a contatora KM1 será desenergizada.
( ) Os disjuntores DJ1 e DJ2 poderão ser desligados, a critério do operador.
A ordem correta de preenchimento dos parênteses, de cima para baixo, é:
Provas
• 2 condutores vermelhos, de seção transversal superior a 2,5 mm². • 2 condutores pretos, de seção transversal de 1,5 mm². • 1 condutor azul claro, de seção transversal superior a 2,5 mm². • 1 condutor verde, de seção transversal superior a 2,5 mm². • 2 condutores amarelos, de seção transversal de 1,5 mm².
Com base na norma NBR 5410, analise as assertivas abaixo:
I. Os condutores vermelhos são de circuitos de iluminação. II. O condutor azul claro é um condutor de terra. III. Existe na caixa de passagem um condutor de neutro. IV. Os condutores amarelos e pretos são de circuitos de iluminação.
Quais estão corretas?
Provas
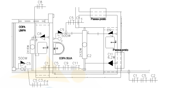
I. O projeto, estranhamente, não apresenta condutores de terra. II. O circuito C2 e C3 são de iluminação. III. O circuito C5 atende tomadas de potência superiores a 100 W. IV. Somente o circuito C9 atende as luminárias existentes no projeto.
Quais estão corretas?
Provas

Provas
Caderno Container