Foram encontradas 50 questões.
A fem induzida num circuito elétrico imerso num campo de indução \( \vec{B} \) surge certamente se:
Provas
Constitui indução eletromagnética:
Provas
O símbolo abaixo representa

Provas
O osciloscópio mede, primariamente, as seguintes grandezas:
Provas
Em relação a medidas elétricas, a resistência interna de um multímetro quando opera como amperímetro e voltímetro são, respectivamente,
Provas
Um fio cuja a resistência elétrica era de 6,0 ohms foi esticado de tal modo que seu comprimento passou a ser três vezes maior.
Supondo que a densidade do material não variou, calcule o novo valor, em ohms, da resistência elétrica do fio.
Provas
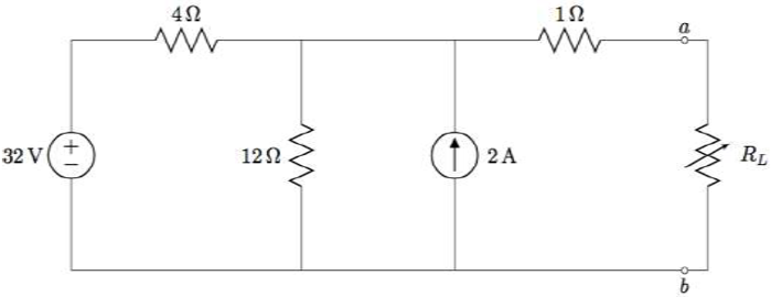
No circuito abaixo, a resistência e a tensão de Thevenin nos pontos a e b são respectivamente.

Provas
A corrente primária de um transformador ideal nominal em 2200/110 V é 5 A.
A razão de espiras e a corrente secundária são respectivamente.
Provas
Em relação ao indutor, podemos dizer que,
I. é um elemento ativo.
II. armazena energia magnética.
III. a indutância é inversamente proporcional ao seu número de espiras.
Das afirmações citadas anteriormente, temos que
Provas
Encontre a capacitância equivalente vista entre os terminais a e b do circuito abaixo

Provas
Caderno Container