Foram encontradas 55 questões.
Provas

Provas

O valor da indutância L do circuito magnético é
Provas

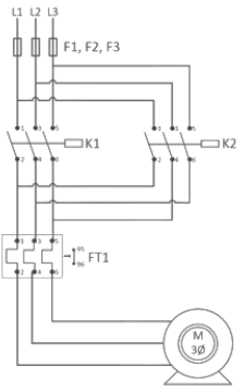
Analisando o diagrama, verifica-se que os contatores K1 e K2 acionam o motor, possibilitando
Provas
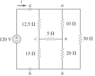
A figura a seguir apresenta duas redes equivalentes ligadas em delta (figura a) e estrela (figura b)

Convertendo a rede de delta (figura a) para estrela (figura b), o valor da resistência R3 será
Provas
Considerando a tensão de entrada \( v_i = 0,5 V \) no circuito com amplificador operacional apresentado a seguir, os valores da tensão de saída (\( v_0 \)) e da corrente passando pelo resistor de 10 kΩ são, respectivamente,

Provas

Pelo gráfico de demanda apresentado, qual é o valor da potência média em kW durante o período de 24 horas?
Provas

Qual é a energia total em kWh consumida por esse laboratório?
Provas
Considerando o circuito apresentado a seguir em regime permanente,

a tensão no capacitor (\( v_C \)) e a corrente no indutor (\( i_L \)) em corrente contínua são, respectivamente,
Provas

Provas
Caderno Container