Foram encontradas 65 questões.
A tabela a seguir indica a duração, em unidades de tempo, das atividades de uma rede PERT, assim
como a relação de suas atividades imediatamente predecessoras e sucessoras.

O caminho crítico desta rede tem duração, em unidades de tempo, de:

O caminho crítico desta rede tem duração, em unidades de tempo, de:
Provas
Questão presente nas seguintes provas
O gráfico a seguir apresenta a curva S prevista para a execução de uma obra e o andamento real
de execução dessa obra.

Supondo que o gerente da obra consiga manter uma taxa de avanço mensal, a partir do mês 8, equivalente a 60% do observado entre este mês e o anterior, a obra atingirá a execução prevista

Supondo que o gerente da obra consiga manter uma taxa de avanço mensal, a partir do mês 8, equivalente a 60% do observado entre este mês e o anterior, a obra atingirá a execução prevista
Provas
Questão presente nas seguintes provas
Uma barra circular de raio R possui uma de suas extremidades engastada e a outra livre. Na
extremidade livre, aplica-se uma torção que induz tensão cisalhante máxima, nessa barra, 8 vezes
superior à tensão máxima admissível. Considerando apenas o estado de tensões gerado pela torção, o
raio mínimo necessário para que a barra resista ao carregamento imposto vale:
Provas
Questão presente nas seguintes provas
A figura a seguir apresenta um elemento em um estado de tensões planas.

Nesse elemento, a máxima tensão principal vale:
Provas
Questão presente nas seguintes provas
A figura a seguir apresenta uma viga biapoiada com dois vãos em balanço.

(Dimensões em metros)
Provas
Questão presente nas seguintes provas
A figura a seguir apresenta uma viga biapoiada com dois vãos em balanço.

(Dimensões em metros)
Provas
Questão presente nas seguintes provas
A figura a seguir apresenta um quadro plano com três extremidades engastadas e um nó rotulado.

O grau de hiperestaticidade total desse quadro vale:
Provas
Questão presente nas seguintes provas
Um engenheiro deseja projetar uma laje maciça de concreto armado com 10 cm de espessura que
será construída utilizando concreto com resistência característica à compressão de 25 MPa.
Considerando que a laje será armada em duas direções, a armadura positiva mínima a ser considerada
no projeto dessa laje vale, aproximadamente:
Provas
Questão presente nas seguintes provas
No dimensionamento de estruturas de concreto armado, o domínio em que a falha da estrutura
ocorre sob flexão simples ou composta com ruptura à compressão do concreto e com escoamento do aço
é o domínio:
Provas
Questão presente nas seguintes provas
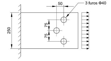
Na figura a seguir, apresenta-se uma chapa de aço com largura igual a 250 mm e espessura de 40
mm submetida a uma carga uniformemente distribuída em uma de suas extremidades e engastada à
extremidade oposta. A chapa possui, ainda, 3 furos com diâmetro de 40 mm.

(Dimensões em mm)
Sabendo que o aço possui tensão de escoamento igual a 400 MPa, a resistência axial dessa chapa considerando apenas o estado limite de ruptura da seção líquida efetiva é de:

(Dimensões em mm)
Sabendo que o aço possui tensão de escoamento igual a 400 MPa, a resistência axial dessa chapa considerando apenas o estado limite de ruptura da seção líquida efetiva é de:
Provas
Questão presente nas seguintes provas
Cadernos
Caderno Container