Foram encontradas 40 questões.
- EletrotécnicaCircuitos Lógicos e Álgebra Booleana em Eletrotécnica
- EletrônicaEletrônica Digital em Eletroeletrônica
Sobre as operações básicas da álgebra booleana, é CORRETO o que se
afirma em:
Provas
Questão presente nas seguintes provas
Considere a Figura 7, que apresenta uma Ponte de Wheatstone.

Sobre esse circuito, é CORRETO afirmar que ele
Provas
Questão presente nas seguintes provas
Multímetros, fontes CC, geradores de sinais e osciloscópios são
instrumentos básicos em uma bancada de trabalho envolvendo sistemas
elétricos/eletrônicos. Em relação a tais equipamentos, é CORRETO o que se afirma em:
Provas
Questão presente nas seguintes provas
Para ajustar uma onda senoidal de 10Vpp com um valor médio de 5V, o
acoplamento do osciloscópio foi comutado de CA para CC, e o nível de offset da onda de
entrada foi alterado. Sobre a consequência no movimento da onda no osciloscópio, é
CORRETO afirmar que ela se movimentou
Provas
Questão presente nas seguintes provas
Considere a Figura 5, que apresenta um circuito para exemplificar o
acionamento de cargas em circuitos digitais a partir de circuitos integrados (CIs) de baixa
corrente.

A partir do circuito e do diagrama do relé, é CORRETO o que se afirma em:

A partir do circuito e do diagrama do relé, é CORRETO o que se afirma em:
Provas
Questão presente nas seguintes provas
Considere a configuração amplificadora apresentada na Figura 4, na qual
uma fonte de sinal vsig(t) é acoplada à entrada do transistor e a saída é obtida sobre o
resistor RL.

Sobre a configuração do circuito, é CORRETO afirmar que ela é

Sobre a configuração do circuito, é CORRETO afirmar que ela é
Provas
Questão presente nas seguintes provas
Analise o circuito retificador com transformador de derivação central, com os canais 1 e 2 do osciloscópio (CH1 e CH2, respectivamente) conectados como na Figura 3, e considere as distintas possibilidades de saída dos canais.


Sendo CH1 representado em linha contínua e CH2, em linha tracejada, a imagem que representa CORRETAMENTE a saída dos canais é:
Provas
Questão presente nas seguintes provas
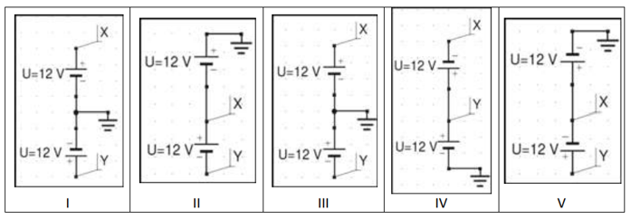
Um dado circuito integrado requer alimentação simétrica (+12V, -12V e 0V) para o seu correto funcionamento. A partir desse contexto, considere as distintas possibilidades de ligações utilizando duas fontes CC.

Para obter as tensões de +12V e de -12V, nos nós X e Y, a ligação CORRETA é:

Para obter as tensões de +12V e de -12V, nos nós X e Y, a ligação CORRETA é:
Provas
Questão presente nas seguintes provas
Sobre componentes passivos, é CORRETO afirmar que,
Provas
Questão presente nas seguintes provas
Analise o circuito RC da Figura 1 e considere as distintas possibilidades de
formas de onda.

Para um sinal de entrada retangular vs(t) de 10Vpp com offset=5V, no canal 1 (em volts) do osciloscópio (CH1), sobre a saída do circuito vo(t), a forma de onda CORRETA a ser observada é:

Para um sinal de entrada retangular vs(t) de 10Vpp com offset=5V, no canal 1 (em volts) do osciloscópio (CH1), sobre a saída do circuito vo(t), a forma de onda CORRETA a ser observada é:
Provas
Questão presente nas seguintes provas
Cadernos
Caderno Container