Foram encontradas 55 questões.
O Sistema de Proteção contra Descargas Atmosféricas (SPDA) é um
conjunto de técnicas e dispositivos instalados em edifícios e
estruturas para minimizar ou anular os efeitos diretos e indiretos de
descargas atmosféricas (raios). Sobre os tipos de SPDA é correto
afirmar que
Provas
Questão presente nas seguintes provas
Uma instalação elétrica trifásica, configurada em estrela, recebe
uma alimentação com uma tensão de linha de 500/√3 V. Dentro
dessa instalação, uma corrente de 30 A é consumida, enquanto
mantém um fator de potência de 80%, sem a presença de distorções
harmônicas. Nessas condições, a potência ativa será igual a
Provas
Questão presente nas seguintes provas
Relacione corretamente as normas a seguir com sua descrição:
Coluna 1: Normas 1- ABNT NBR 5410. 2- ABNT NBR 13534. 3- ABNT NBR 14039.
Coluna 2: Descrição ( ) Instalações elétricas em estabelecimentos assistenciais de saúde ( ) Instalações elétricas de média tensão de 1,0 kV a 36,2 kV ( ) Instalações elétricas de baixa tensão
Assinale a alternativa que indica a sequência correta, de cima para baixo.
Coluna 1: Normas 1- ABNT NBR 5410. 2- ABNT NBR 13534. 3- ABNT NBR 14039.
Coluna 2: Descrição ( ) Instalações elétricas em estabelecimentos assistenciais de saúde ( ) Instalações elétricas de média tensão de 1,0 kV a 36,2 kV ( ) Instalações elétricas de baixa tensão
Assinale a alternativa que indica a sequência correta, de cima para baixo.
Provas
Questão presente nas seguintes provas
Deseja-se realizar o projeto de iluminação de um ambiente
retangular com dimensões de 7 m x 10 m por meio do método dos
lúmens. O nível mínimo de iluminância é de 500 lux, fator de
utilização de 0,7 e fator de depreciação de 0,80. O número mínimo
de luminárias, sabendo que cada luminária possui duas lâmpadas
fluorescentes com fluxo luminoso de 2500 lumens cada lâmpada,
deve ser igual a
Provas
Questão presente nas seguintes provas
Os curtos-circuitos podem ser classificados em simétricos e
assimétricos. Analise as seguintes afirmativas sobre esse tema:
I. Para se calcular o efeito de um curto-circuito simétrico, as componentes de sequência necessárias incluem sequências positiva e negativa. II. O cálculo da corrente de curto-circuito pode ser realizado utilizando-se componentes simétricas, que são denominadas alternada, independente e contínua. III. Um exemplo de curto-circuito assimétrico é o diferencialresidual.
Assinale
I. Para se calcular o efeito de um curto-circuito simétrico, as componentes de sequência necessárias incluem sequências positiva e negativa. II. O cálculo da corrente de curto-circuito pode ser realizado utilizando-se componentes simétricas, que são denominadas alternada, independente e contínua. III. Um exemplo de curto-circuito assimétrico é o diferencialresidual.
Assinale
Provas
Questão presente nas seguintes provas
A respeito dos transformadores, é incorreto afirmar que
Provas
Questão presente nas seguintes provas
Um motor elétrico opera com uma potência aparente de 5,0 kVA e
uma potência reativa de 4 kVAr quando conectado à fonte de
alimentação. Além disso, sua potência mecânica, operando em
condições nominais, é de 3 HP (cavalos de potência). Nesse caso, o
rendimento desse motor é aproximadamente igual a
(Dado 1 HP = 746 W)
Provas
Questão presente nas seguintes provas
Analise as afirmativas a seguir sobre os equipamentos de medição:
I. Um voltímetro é conectado em paralelo a um componente do circuito para medir a diferença de potencial elétrico (tensão) entre dois pontos. II. Os amperímetros de corrente alternada têm como característica possuir o secundário do transformador de corrente alimentando o amperímetro. III. Galvanômetro é um instrumento eletromecânico que é basicamente usado para medir correntes elétricas de baixa intensidade.
É(São) correta(s) a(s) afirmativa(s)
I. Um voltímetro é conectado em paralelo a um componente do circuito para medir a diferença de potencial elétrico (tensão) entre dois pontos. II. Os amperímetros de corrente alternada têm como característica possuir o secundário do transformador de corrente alimentando o amperímetro. III. Galvanômetro é um instrumento eletromecânico que é basicamente usado para medir correntes elétricas de baixa intensidade.
É(São) correta(s) a(s) afirmativa(s)
Provas
Questão presente nas seguintes provas
O circuito elétrico a seguir é composto por uma fonte CC de V = 54,4
V, que alimenta um circuito RC em série, através de um chave que
está inicialmente aberta.

Sabe-se que o capacitor se encontra inicialmente descarregado e que o valor do resistor é R = 20 kΩ. Nessas condições, ao fechar a chave, o valor da corrente elétrica no circuito no instante t igual à constante de tempo do circuito será de (Considere e = 2,72)

Sabe-se que o capacitor se encontra inicialmente descarregado e que o valor do resistor é R = 20 kΩ. Nessas condições, ao fechar a chave, o valor da corrente elétrica no circuito no instante t igual à constante de tempo do circuito será de (Considere e = 2,72)
Provas
Questão presente nas seguintes provas
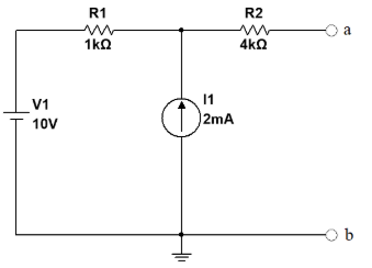
O teorema de Thévenin é um princípio fundamental em circuitos
elétricos que permite simplificar um circuito complexo em um
equivalente mais simples, composto por uma fonte de tensão (VTh)
em série com uma resistência (RTh).
Considere o circuito a seguir:

Ao obter o circuito equivalente de Thévenin entre os terminais “a” e “b”, é correto afirmar que a tensão de Thévenin VTh e a resistência de Thévenin RTh são, respectivamente, iguais a

Ao obter o circuito equivalente de Thévenin entre os terminais “a” e “b”, é correto afirmar que a tensão de Thévenin VTh e a resistência de Thévenin RTh são, respectivamente, iguais a
Provas
Questão presente nas seguintes provas
Cadernos
Caderno Container