Foram encontradas 50 questões.
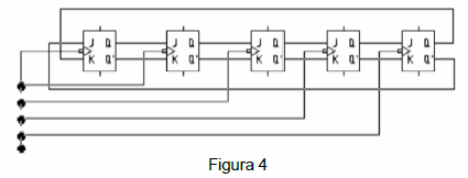
Considere o circuito da figura 4 abaixo:

Trata-se de:
Provas
Questão presente nas seguintes provas
Qual o dispositivo que elimina ou minimiza o efeito dv/dt?
Provas
Questão presente nas seguintes provas
Dos dispositivos de disparo abaixo, qual pode ser
disparado em ângulos diversos entre 0 a 360 ?
Provas
Questão presente nas seguintes provas
Um sistema que recebe informações seriais e às
transforma em informações paralelas recebe o nome de
Provas
Questão presente nas seguintes provas
Determine o número de flip- flops que seriam necessários
para se construir os contadores de módulos 6,11,15,19,e
31, respectivamente.
Provas
Questão presente nas seguintes provas
Com relação a transistores de efeito de campo é correto afirmar que
I. O seguidor de fonte proporciona um ganho de tensão menor do que a unidade, mas sua característica de resistência de saída é baixa.
II. O ganho de tensão do amplificador CMOS básico é aproximadamente de (gmro/2).
III. A porta de transmissão CMOS é amplamente usada no chaveamento de sinais analógicos.
Qual(is) está (ão) correta(s)?
Provas
Questão presente nas seguintes provas

Provas
Questão presente nas seguintes provas
Uma onda quadrada simétrica de 20 V pico-a-pico e 2 ms
de período, é aplicada a um integrador. Qual o valor da
constante de tempo RC para que o integrador gere uma
onda triangular de 20 V pico-a-pico?
Provas
Questão presente nas seguintes provas

Provas
Questão presente nas seguintes provas

Provas
Questão presente nas seguintes provas
Cadernos
Caderno Container